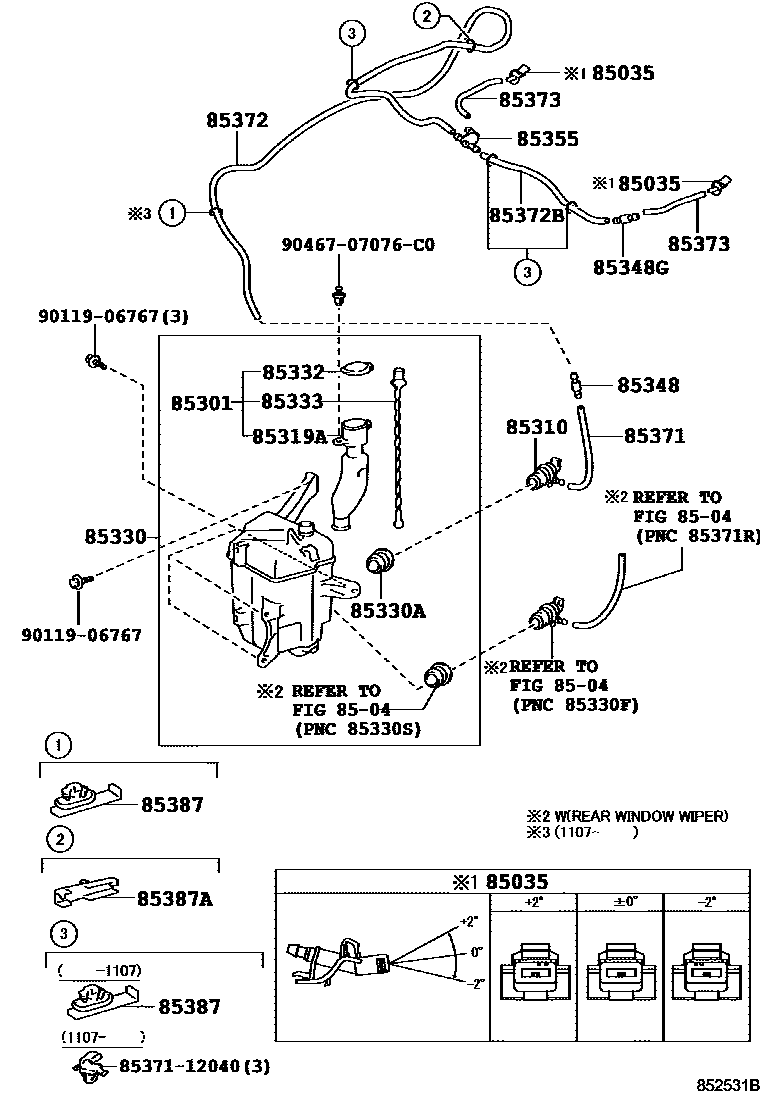
Toyota ZELAS — WINDSHIELD WASHER

85035NOZZLE SUB-ASSY, WASHER
ANGLE 0
ANGLE -2
ANGLE +2
8504
85301INLET SUB-ASSY, WASHER
85310MOTOR AND PUMP ASSY, WINDSHIELD WASHER
85319AHOSE, INLET
85330JAR ASSY, WINDSHIELD WASHER
85330ABUSH, WINDSHIELD WASHER JAR
85332CAP, WINDSHIELD WASHER JAR
85333FILTER, WINDSHIELD WASHER JAR
85348JOINT, WINDSHIELD WASHER HOSE, NO.1
85348GJOINT, WINDSHIELD WASHER HOSE, NO.2
85355VALVE, WINDSHIELD WASHER HOSE
85371HOSE, WINDSHIELD WASHER (FROM MOTOR TO JOINT)
L=1450(*H,L=200)
85372HOSE, WINDSHIELD WASHER (FROM JOINT TO JOINT), NO.1
L=2000
L=2000,REAR WINDOW WIPER-WITH
L=1900
85372BHOSE, WINDSHIELD WASHER (FROM JOINT TO JOINT), NO.2
L=1450(*H,L=450)
85373HOSE, WINDSHIELD WASHER (FROM JOINT TO NOZZLE)
L=1450(*H,L=180)
85387CLAMP NO.1 (FOR WINDSEIELD WASHER)
85387ACLAMP, WASHER, NO.2
8537112040HOSE, WINDSHIELD WASHER (FROM MOTOR TO JOINT)
main85371-12040
9011906767
main90119-06767
9046707076C0
main90467-07076C0
21 parts on this diagram · 1 diagram in section