Toyota ZELAS — HEATING & AIR CONDITIONING - COOLER UNIT

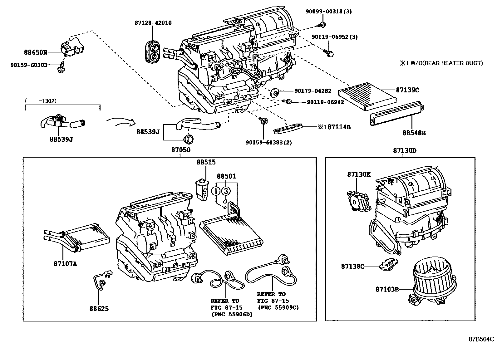
87050RADIATOR ASSY, AIR CONDITIONER
87103BMOTOR SUB-ASSY, BLOWER W/FAN
87107AUNIT SUB-ASSY, HEATER RADIATOR
87114BCOVER, HEATER
ARGENTINA SPEC
CHILE SPEC
87130DBLOWER ASSY
87130KDAMPER SERVO SUB-ASSY, BLOWER, NO.1
87138CRESISTOR, BLOWER
87139CFILTER, CLEAN AIR
*DPF
POLLEN FILTER
8715
88501EVAPORATOR SUB-ASSY, COOLER, NO.1
88515VALVE, COOLER EXPANSION
88548BCASE, AIR FILTER
88625THERMISTOR, COOLER, NO.1
88650NAMPLIFIER ASSY, AIR CONDITIONER
8712842010GROMMET, HEATER
main87128-42010
9009900318
main90099-00318
9011906942
main90119-06942
9011906952
main90119-06952
9015960303
main90159-60303
9015960383
main90159-60383
9017906282
main90179-06282
22 parts on this diagram · 2 diagrams in section