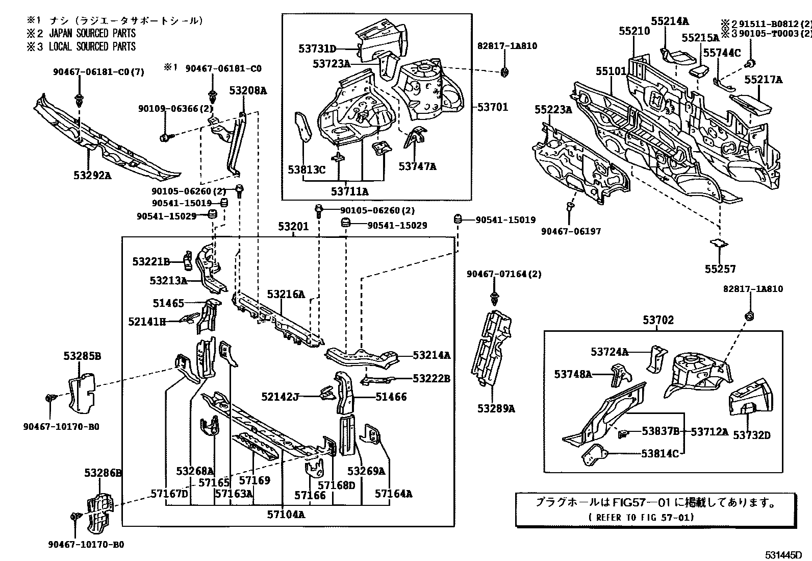
Toyota WISH — FRONT FENDER APRON & DASH PANEL

51465BRACE, RADIATOR SUPPORT, UPPER RH
51466BRACE, RADIATOR SUPPORT, UPPER LH
52141HARM, FRONT BUMPER, UPPER RH
52142JARM, FRONT BUMPER, UPPER LH
53201SUPPORT SUB-ASSY, RADIATOR
53208ASUPPORT SUB-ASSY, HOOD LOCK
53213ASUPPORT, RADIATOR, UPPER RH
53214ASUPPORT, RADIATOR, UPPER LH
53216ASUPPORT, RADIATOR, UPPER
53221BBRACE, RADIATOR SUPPORT APRON, RH
53222BBRACE, RADIATOR SUPPORT APRON, LH
53268AREINFORCEMENT, RADIATOR MOUNTING, RH
53269AREINFORCEMENT, RADIATOR MOUNTING, LH
53285BSEAL, RADIATOR SIDE AIR, NO.1
53286BSEAL, RADIATOR SIDE AIR, NO.2
53289ACOVER, RADIATOR SUPPORT OPENING
53292ASEAL, RADIATOR SUPPORT, UPPER
53701APRON SUB-ASSY, FRONT FENDER, RH
53702APRON SUB-ASSY, FRONT FENDER, LH
53711AAPRON, FRONT FENDER, W/SUPPORT, FRONT RH
53712AAPRON, FRONT FENDER, W/SUPPORT, FRONT LH
53723AREINFORCEMENT, FRONT SPRING SUPPORT, RH
53724AREINFORCEMENT, FRONT SPRING SUPPORT, LH
53731DMEMBER, FRONT APRON TO COWL SIDE, UPPER RH
53732DMEMBER, FRONT APRON TO COWL SIDE, UPPER LH
53747AEXTENSION, APRON FENDER SIDE, RH
53748AEXTENSION, APRON FENDER SIDE, LH
53813CEXTENSION, FRONT FENDER, RH
53814CEXTENSION, FRONT FENDER, LH
53837BBRACKET, FRONT SIDE PANEL, NO.2
55101PANEL SUB-ASSY, DASH
55210INSULATOR ASSY, DASH PANEL
55214APAD, DASH PANEL INSULATOR, NO.2
55215APAD, DASH PANEL INSULATOR, NO.3
55217ARETAINER, DASH PANEL SILENCER
55223AINSULATOR, DASH PANEL, OUTER
55257COVER, DASH PANEL OPENING
55744CMEMBER, FRONT PANEL, UPPER
5701HOLE PLUG
57104AMEMBER SUB-ASSY, FRONT CROSS
57163AREINFORCEMENT, FRONT CROSSMEMBER, NO.1 RH
57164AREINFORCEMENT, FRONT CROSSMEMBER, NO.1 LH
57165REINFORCEMENT, FRONT CROSSMEMBER, LOWER RH
57166REINFORCEMENT, FRONT CROSSMEMBER, LOWER LH
57167DREINFORCEMENT, FRONT CROSSMEMBER SIDE, RH
57168DREINFORCEMENT, FRONT CROSSMEMBER SIDE, LH
57169MEMBER, FRONT FLOOR, FRONT RH
828171A810PROTECTOR, WIRING HARNESS, NO.1
main82817-1A810
9010506260
main90105-06260
90105T0003
main90105-T0003
9010906366
main90109-06366
9046706181C0
main90467-06181C0
9046706197
main90467-06197
9046707164
main90467-07164
9046710170B0
main90467-10170B0
9054115019
main90541-15019
9054115029
main90541-15029
91511B0812
main91511-B0812
58 parts on this diagram · 1 diagram in section
FRONT FENDER APRON & DASH PANEL for Toyota WISH
This section contains 58 genuine Toyota parts for the FRONT FENDER APRON & DASH PANEL system of the Toyota WISH. Key components include: BRACE, RADIATOR SUPPORT, UPPER RH, BRACE, RADIATOR SUPPORT, UPPER LH, ARM, FRONT BUMPER, UPPER RH, ARM, FRONT BUMPER, UPPER LH, SUPPORT SUB-ASSY, RADIATOR.