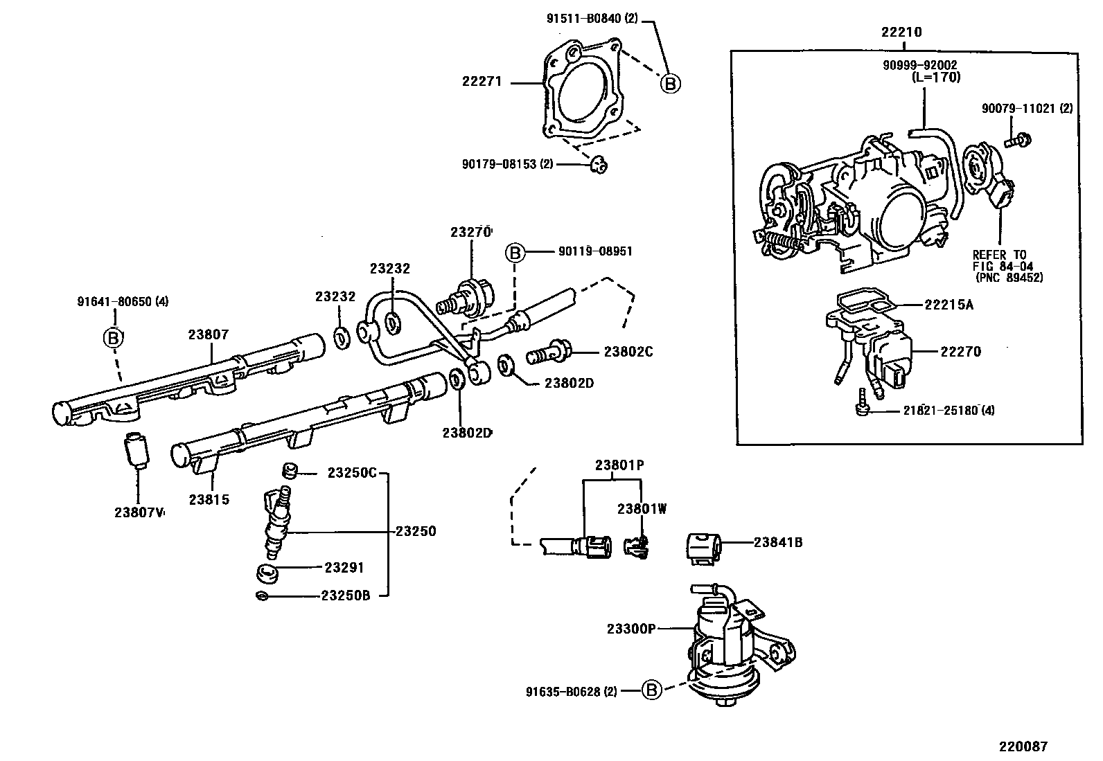
Toyota WINDOM — FUEL INJECTION SYSTEM

22210BODY ASSY, THROTTLE
22215AGASKET, IDLE SPEED CONTROL VALVE
22270VALVE ASSY, IDLE SPEED CONTROL(FOR THLOTTLE BODY)
22271GASKET, THROTTLE BODY
23232GASKET(FOR FUEL PUMP HOSE)
23250BRING, O(FOR FUEL INJECTOR)
23250CGROMMET(FOR FUEL INJECTOR)
23270DAMPER ASSY, FUEL PRESSURE PULSATION
23291INSULATOR, INJECTOR VIBRATION
23300PFILTER, FUEL(FOR EFI)
23801PPIPE SUB-ASSY, FUEL, NO.1
23801WCLIP, FUEL TUBE CONNECTOR
23802CBOLT, UNION(FOR FUEL PIPE NO.2)
23802DGASKET(FOR FUEL PIPE NO.2)
23807PIPE SUB-ASSY, FUEL DELIVERY
23807VSPACER, NO.1(FOR DELIVERY PIPE)
23815PIPE, FUEL DELIVERY, NO.2
23841BCLAMP, FUEL PIPE, NO.1(FOR EFI)
8404ELECTRONIC FUEL INJECTION SYSTEM
2182125180SCREW, 2ND THROTTLE VALVE SET
main21821-25180
9007911021
main90079-11021
9011908951
main90119-08951
9017908153
main90179-08153
9099992002
main90999-92002
91511B0840
main91511-B0840
91635B0628
main91635-B0628
9164180650
main91641-80650
28 parts on this diagram · 4 diagrams in section
FUEL INJECTION SYSTEM for Toyota WINDOM
This section contains 53 genuine Toyota parts for the FUEL INJECTION SYSTEM system of the Toyota WINDOM. Key components include: VALVE ASSY, INTAKE AIR CONTROL, NO.1, BODY ASSY, THROTTLE, THERMOSTAT, MANIFOLD, BODY, THROTTLE, GASKET, IDLE SPEED CONTROL VALVE.