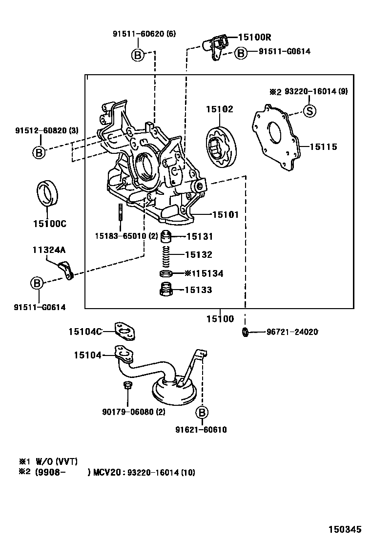
Toyota WINDOM — ENGINE OIL PUMP

11324APLATE, TIMING BELT
15100PUMP ASSY, OIL
15100CSEAL(FOR OIL PUMP)
15100RSENSOR, CRANK POSITION
15101BODY SUB-ASSY, OIL PUMP
15102ROTOR SET, OIL PUMP
15104STRAINER SUB-ASSY, OIL
15104CGASKET(FOR OIL STRAINER)
15115COVER, OIL PUMP
15131VALVE, OIL PUMP RELIEF
15132SPRING, OIL PUMP RELIEF VALVE
15133PLUG, OIL PUMP RELIEF VALVE
15134GASKET, OIL PUMP RELIEF VALVE
1518365010BOLT, UNION(FOR OIL PUMP)
main15183-65010
9017906080
main90179-06080
9151160620
main91511-60620
91511G0614
main91511-G0614
9151260820
main91512-60820
9162160610
main91621-60610
9322016014
main93220-16014
9672124020
main96721-24020
21 parts on this diagram · 1 diagram in section
ENGINE OIL PUMP for Toyota WINDOM
This section contains 21 genuine Toyota parts for the ENGINE OIL PUMP system of the Toyota WINDOM. Key components include: PLATE, TIMING BELT, PUMP ASSY, OIL, SEAL(FOR OIL PUMP), SENSOR, CRANK POSITION, BODY SUB-ASSY, OIL PUMP.