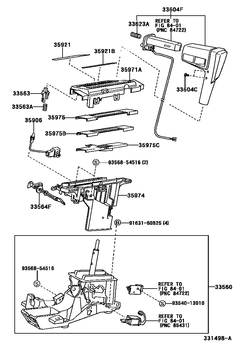
Toyota WILL VS — SHIFT LEVER & RETAINER

33504CSCREW (FOR SHIFT LEVER KNOB SETTING)
33504FKNOB SUB-ASSY, SHIFT LEVER
BLACK,TRIM2#
BLACK,TRIM2#
33560UNIT ASSY, SHIFT LOCK CONTROL
33563BUTTON, SHIFT LOCK RELEASE
33563ASPRING, COMPRESSION (FOR SHIFT LOCK RELEASE BUTTON)
33564FLINK, SHIFT LOCK RELEASE, NO.2
33623ASPRING, COMPRESSION (FOR SHIFT LEVER KNOB BUTTON)
35906WIRE SUB-ASSY, INDICATOR LAMP
35921PLATE, CONTROL POSITION INDICATOR
35921BPLATE, CONTROL POSITION INDICATOR NO,2
35971AHOUSING, POSITION INDICATOR, UPPER
35974HOUSING, POSITION INDICATOR, LOWER
35975COVER, SLIDE (FOR POSITION INDICATOR)
35975BCOVER, SLIDE, NO.2(FOR POSITION INDICATOR)
35975CCOVER, SLIDE, NO.3(FOR POSISION INDICATOR)
8401SWITCH & RELAY & COMPUTER
9163160825
main91631-60825
9354013010
main93540-13010
9356854516
main93568-54516
19 parts on this diagram · 4 diagrams in section
SHIFT LEVER & RETAINER for Toyota WILL VS
This section contains 53 genuine Toyota parts for the SHIFT LEVER & RETAINER system of the Toyota WILL VS. Key components include: GEAR SHIFT FORK & LEVER SHAFT (MTM), SCREW (FOR SHIFT LEVER KNOB SETTING), KNOB SUB-ASSY, SHIFT LEVER, BRACKET, CONTROL LEVER HOUSING SUPPORT (FOR FLOOR SHIFT), BUSH (FOR CONTROL SHIFT LEVER).