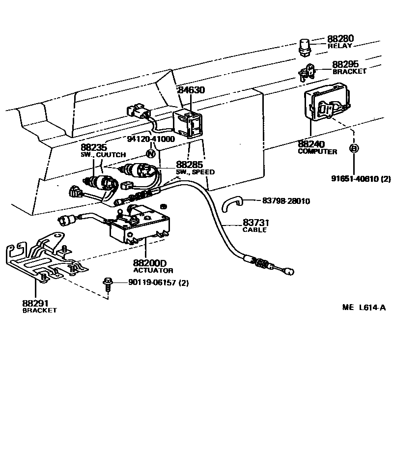
Toyota VAN — CRUISE CONTROL (AUTO DRIVE)

83731CABLE, CRUISE CONTROL
84630SWITCH ASSY, CRUISE CONTROL MAIN
88200DACTUATOR ASSY, CRUISE CONTROL
88235SWITCH ASSY, CRUISE CONTROL(AUTO DRIVE) RELEASE
88240COMPUTER ASSY, CRUISE CONTROL
88280RELAY ASSY, CRUISE CONTROL(AUTO DRIVE), B
88285SWITCH, CRUISE CONTROL
88291BRACKET, CRUISE CONTROL(AUTO DRIVE), NO.1
88295BRACKET, CRUISE CONTROL(AUTO DRIVE) RELAY
8379828010KEY, SPEEDOMETER CABLE ADAPTER
main83798-28010
9011906157
main90119-06157
9165140610
main91651-40610
9412041000
main94120-41000
13 parts on this diagram · 1 diagram in section
CRUISE CONTROL (AUTO DRIVE) for Toyota VAN
This section contains 13 genuine Toyota parts for the CRUISE CONTROL (AUTO DRIVE) system of the Toyota VAN. Key components include: CABLE, CRUISE CONTROL, SWITCH ASSY, CRUISE CONTROL MAIN, ACTUATOR ASSY, CRUISE CONTROL, SWITCH ASSY, CRUISE CONTROL(AUTO DRIVE) RELEASE, COMPUTER ASSY, CRUISE CONTROL.