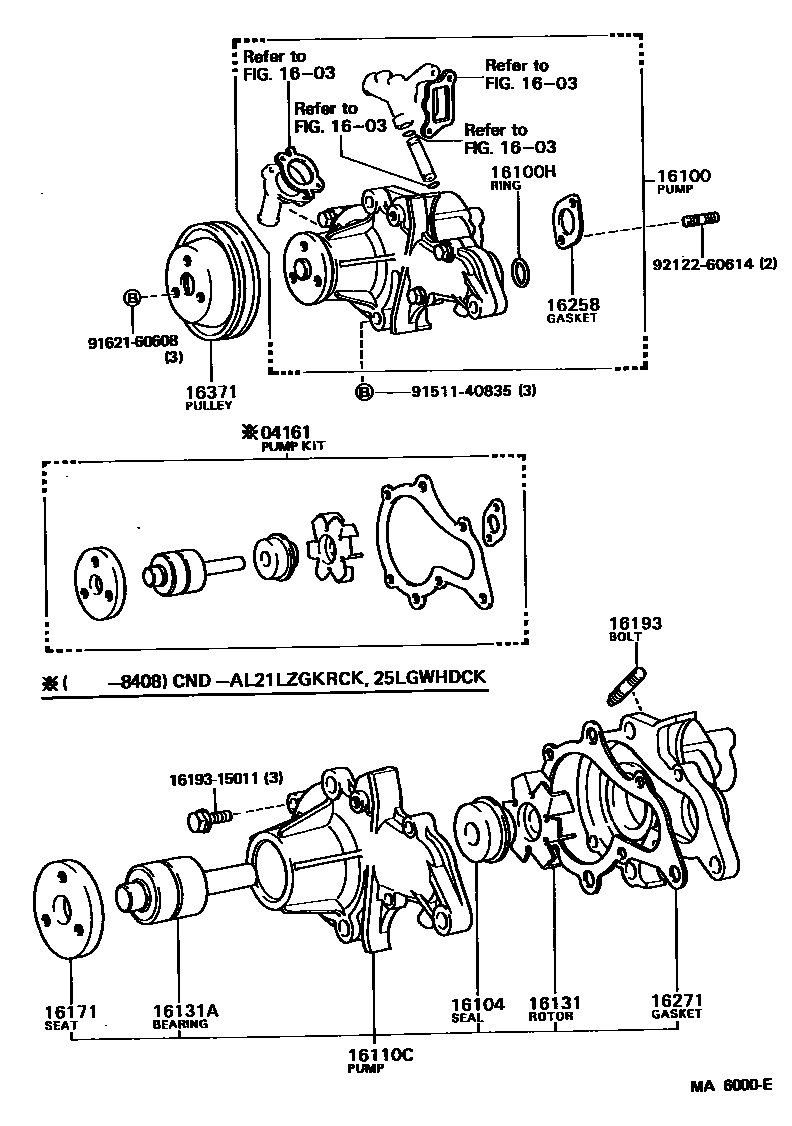
Toyota TERCEL — WATER PUMP

04161PUMP KIT, WATER
1603RADIATOR & WATER OUTLET
16100PUMP ASSY, ENGINE WATER
16100HRING, O(FOR WATER PUMP)
16104SEAL SET, WATER PUMP
16110CPUMP ASSY, WATER, W/O COVER
16131ROTOR, WATER PUMP
16131ABEARING, WATER PUMP
16171SEAT, WATER PUMP PULLEY
16193BOLT, STUD(FOR WATER PUMP COVER)
16258GASKET(FOR HEATER RETURN)
16271GASKET, WATER PUMP
16371PULLEY, FAN
1619315011BOLT, STUD(FOR WATER PUMP COVER)
main16193-15011
9151140835
main91511-40835
9162160608
main91621-60608
9212260614
main92122-60614
17 parts on this diagram · 1 diagram in section
WATER PUMP for Toyota TERCEL
This section contains 17 genuine Toyota parts for the WATER PUMP system of the Toyota TERCEL. Key components include: PUMP KIT, WATER, RADIATOR & WATER OUTLET, PUMP ASSY, ENGINE WATER, RING, O(FOR WATER PUMP), SEAL SET, WATER PUMP.