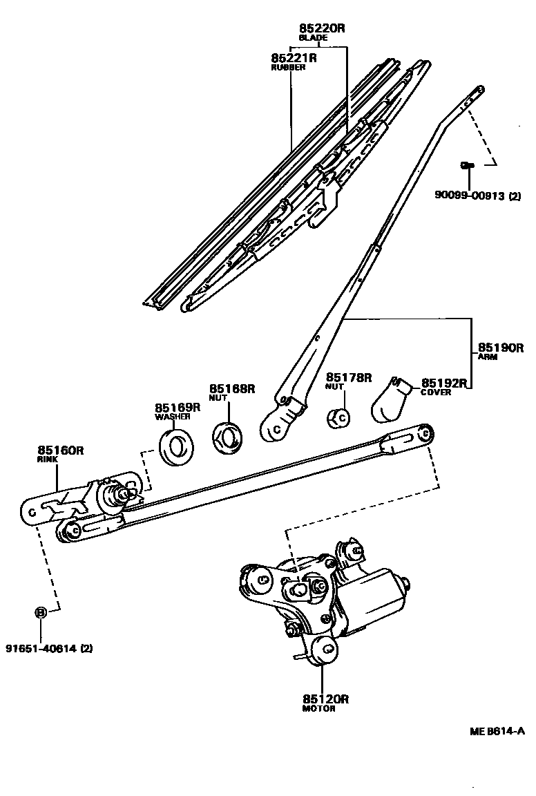
Toyota TERCEL — REAR WIPER

85120RMOTOR AND BRACKET ASSY, REAR WIPER
85160RLINK ASSY, REAR WIPER
85168RNUT, REAR WIPER LINK PIVOT, NO.1
85169RWASHER, REAR WIPER LINK PIVOT, NO.1
85178RNUT (FOR REAR WIPER ARM SETTING)
85190RARM ASSY, REAR WIPER
85220RBLADE ASSY, REAR WIPER
85221RBLADE, REAR WIPER
9009900913
main90099-00913
9165140614
main91651-40614
11 parts on this diagram · 2 diagrams in section
REAR WIPER for Toyota TERCEL
This section contains 13 genuine Toyota parts for the REAR WIPER system of the Toyota TERCEL. Key components include: MOTOR AND BRACKET ASSY, REAR WIPER, LINK ASSY, REAR WIPER, NUT, REAR WIPER LINK PIVOT, NO.1, WASHER, REAR WIPER LINK PIVOT, NO.1, NUT (FOR REAR WIPER ARM SETTING).