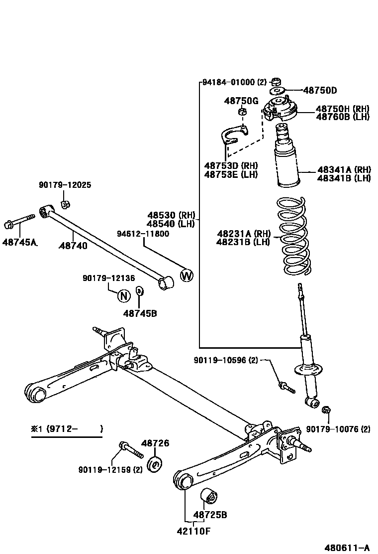
Toyota TERCEL — REAR SPRING & SHOCK ABSORBER

42110FBEAM ASSY, REAR AXLE
SPORTS PACKAGE
W(ABS)
W(ABS)
W(ABS)
48341ABUMPER, REAR SPRING, NO.1 RH
48341BBUMPER, REAR SPRING, NO.1 LH
48530ABSORBER ASSY, SHOCK, REAR RH
SPORTS PACKAGE
W(13 INCHES DISC WHEEL)
W(14 INCHES DISC WHEEL)
W(13 INCHES DISC WHEEL)
W(13 INCHES DISC WHEEL)
W(13 INCHES DISC WHEEL)
48540ABSORBER ASSY, SHOCK, REAR LH
SPORTS PACKAGE
W(13 INCHES DISC WHEEL)
W(14 INCHES DISC WHEEL)
W(13 INCHES DISC WHEEL)
W(13 INCHES DISC WHEEL)
W(13 INCHES DISC WHEEL)
48725BBUSH, REAR SUSPENSION ARM, NO.1
48726SEAT, REAR SUSPENSION ARM
48740ROD ASSY, REAR LATERAL CONTROL
48745ABOLT, HEXAGON(FOR LATERAL CONTROL ROD)
48745BWASHER, LATERAL CONTROL ROD CUSHION
48750DRETAINER(FOR REAR SUPPORT TO REAR SHOCK ABSORBER)
48750GNUT(FOR REAR SUSPENSION SUPPORT)
48750HSUPPORT ASSY, REAR SUSPENSION, RH
SPORTS PACKAGE
48753DCOVER, REAR SUSPENSION SUPOPORT, NO.2 RH
48753ECOVER, REAR SUSPENSION SUPOPORT, NO.2 LH
SPORTS PACKAGE
48760BSUPPORT ASSY REAR SUSPENSION, LH
SPORTS PACKAGE
9011910596
main90119-10596
9011912159
main90119-12159
9017910076
main90179-10076
9017912025
main90179-12025
9017912136
main90179-12136
9418401000
main94184-01000
9461211800
main94612-11800
25 parts on this diagram · 1 diagram in section
REAR SPRING & SHOCK ABSORBER for Toyota TERCEL
This section contains 25 genuine Toyota parts for the REAR SPRING & SHOCK ABSORBER system of the Toyota TERCEL. Key components include: BEAM ASSY, REAR AXLE, SPRING, COIL, REAR RH, SPRING, COIL, REAR LH, BUMPER, REAR SPRING, NO.1 RH, BUMPER, REAR SPRING, NO.1 LH.