Toyota TERCEL — HEATING & AIR CONDITIONING - SET

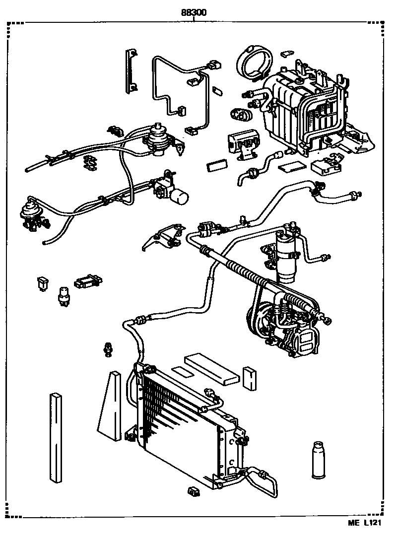
88300COOLER & ACCESSORY ASSY
W(POWER STEERING)
W(PS)
W(POWER STEERING)
1 parts on this diagram · 1 diagram in section
HEATING & AIR CONDITIONING - SET for Toyota TERCEL
This section contains 1 genuine Toyota parts for the HEATING & AIR CONDITIONING - SET system of the Toyota TERCEL. Key components include: COOLER & ACCESSORY ASSY.