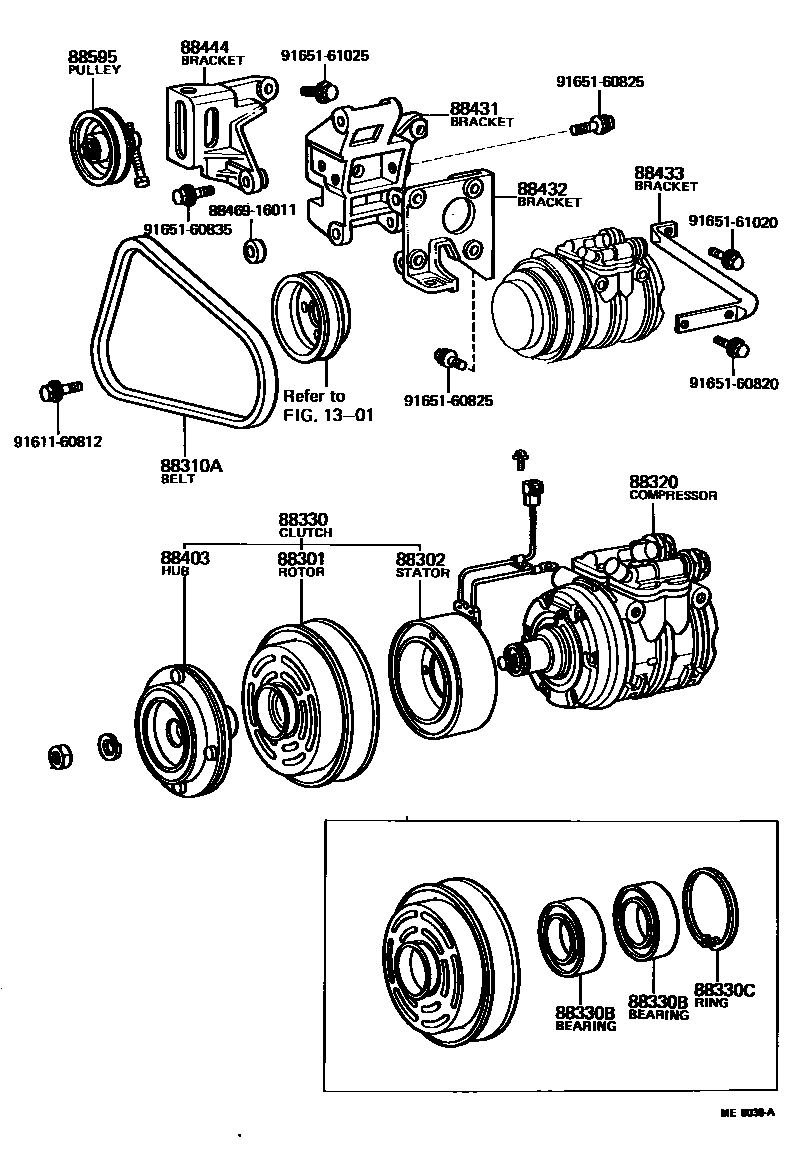
Toyota TERCEL — HEATING & AIR CONDITIONING - COMPRESSOR

1301
88301ROTOR SUB-ASSY, MAGNET CLUTCH
88302STATOR SUB-ASSY, MAGNET CLUTCH
sub88411-14040
88310ABELT, V (COOLER COMPRESSOR TO CRANKSHAFT PULLEY), NO.1
88320COMPRESSOR ASSY, COOLER
88330CLUTCH ASSY, MAGNET
sub88410-14090
88330BBEARING, MAGNET CLUTCH
sub90099-10127
88330CRING, SNAP (FOR MAGNET CLUTCH)
88403HUB SUB-ASSY, MAGNET CLUTCH
sub88403-30270
88431BRACKET, COMPRESSOR MOUNTING, NO.1
88432BRACKET, COMPRESSOR MOUNTING, NO.2
CALIFORNIA SPEC
88433BRACKET, COMPRESSOR MOUNTING, NO.3
CALIFORNIA SPEC
88595PULLEY, COOLER COMPRESSOR IDLE
sub88440-22050
8846916011SWITCH, PRESSURE CONTROL
main88469-16011
9161160812
main91611-60812
9165160820
main91651-60820
9165160825
main91651-60825
9165160835
main91651-60835
9165161020
main91651-61020
9165161025
main91651-61025
21 parts on this diagram · 2 diagrams in section