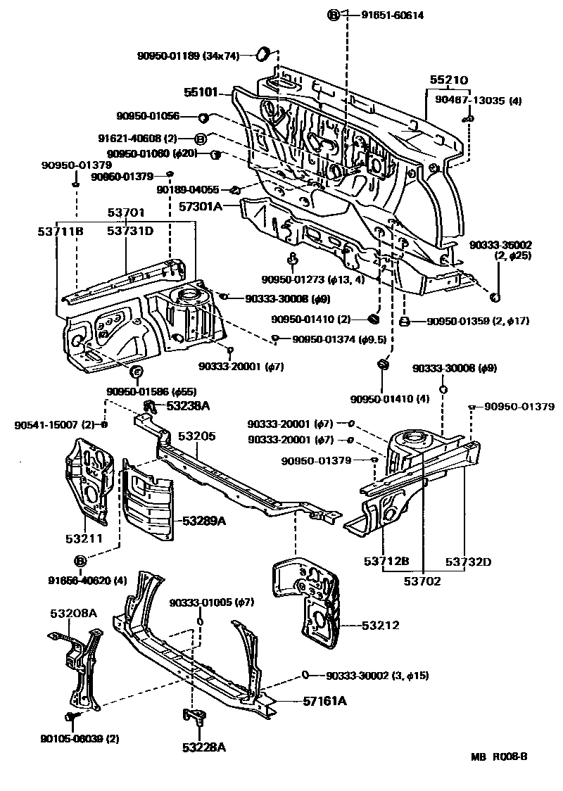
Toyota TERCEL — FRONT FENDER APRON & DASH PANEL

53205SUPPORT SUB-ASSY, RADIATOR, UPPER
53208ASUPPORT SUB-ASSY, HOOD LOCK
53211SUPPORT, RADIATOR, RH
sub53211-16070
53212SUPPORT, RADIATOR, LH
sub53212-16070
53228ABRACKET, RADIATOR MOUNTING, LOWER NO.1
53238ABRACKET, HOOD BUMPER MOUNTING
53289ACOVER, RADIATOR SUPPORT OPENING
53701APRON SUB-ASSY, FRONT FENDER, RH
sub53701-16160
53702APRON SUB-ASSY, FRONT FENDER, LH
sub53702-16090
53711BAPRON, FRONT FENDER, FRONT RH
53712BAPRON, FRONT FENDER, FRONT LH
53731DMEMBER, FRONT APRON TO COWL SIDE, UPPER RH
53732DMEMBER, FRONT APRON TO COWL SIDE, UPPER LH
55101PANEL SUB-ASSY, DASH
55210INSULATOR ASSY, DASH PANEL
57161AMEMBER, FRONT CROSS, FRONT W/REAR
57301AMEMBER SUB-ASSY, STEERING GEAR BOX SUPPORT
9010506039
main90105-06039
9018904055
main90189-04055
9033301005
main90333-01005
9033320001
main90333-20001
9033330002
main90333-30002
9033330008
main90333-30008
9033335002
main90333-35002
9046713035
main90467-13035
9054115007
main90541-15007
9095001056
main90950-01056
9095001060
main90950-01060
9095001189
main90950-01189
9095001273
main90950-01273
9095001359
main90950-01359
9095001374
main90950-01374
9095001379
main90950-01379
9095001410
main90950-01410
9095001586
main90950-01586
9162140608
main91621-40608
9165160614
main91651-60614
9165640620
main91656-40620
38 parts on this diagram · 1 diagram in section