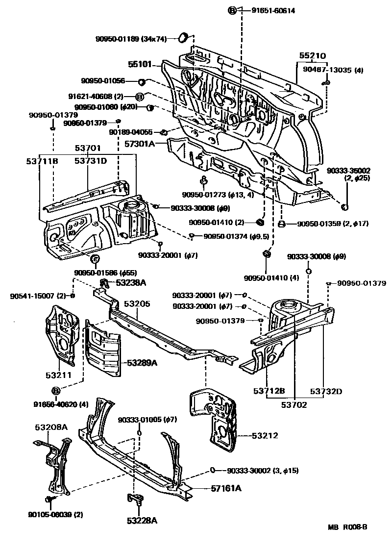
Toyota TERCEL — FRONT FENDER APRON & DASH PANEL

53205SUPPORT SUB-ASSY, RADIATOR, UPPER
53208ASUPPORT SUB-ASSY, HOOD LOCK
53211SUPPORT, RADIATOR, RH
53212SUPPORT, RADIATOR, LH
53228ABRACKET, RADIATOR MOUNTING, LOWER NO.1
53238ABRACKET, HOOD BUMPER MOUNTING
53289ACOVER, RADIATOR SUPPORT OPENING
53701APRON SUB-ASSY, FRONT FENDER, RH
53702APRON SUB-ASSY, FRONT FENDER, LH
53711BAPRON, FRONT FENDER, FRONT RH
53712BAPRON, FRONT FENDER, FRONT LH
53731DMEMBER, FRONT APRON TO COWL SIDE, UPPER RH
53732DMEMBER, FRONT APRON TO COWL SIDE, UPPER LH
55101PANEL SUB-ASSY, DASH
55210INSULATOR ASSY, DASH PANEL
57161AMEMBER, FRONT CROSS, FRONT W/REAR
57301AMEMBER SUB-ASSY, STEERING GEAR BOX SUPPORT
9010506039
main90105-06039
9018904055
main90189-04055
9033301005
main90333-01005
9033320001
main90333-20001
9033330002
main90333-30002
9033330008
main90333-30008
9033335002
main90333-35002
9046713035
main90467-13035
9054115007
main90541-15007
9095001056
main90950-01056
9095001060
main90950-01060
9095001189
main90950-01189
9095001273
main90950-01273
9095001359
main90950-01359
9095001374
main90950-01374
9095001379
main90950-01379
9095001410
main90950-01410
9095001586
main90950-01586
9162140608
main91621-40608
9165160614
main91651-60614
9165640620
main91656-40620
38 parts on this diagram · 1 diagram in section
FRONT FENDER APRON & DASH PANEL for Toyota TERCEL
This section contains 38 genuine Toyota parts for the FRONT FENDER APRON & DASH PANEL system of the Toyota TERCEL. Key components include: SUPPORT SUB-ASSY, RADIATOR, UPPER, SUPPORT SUB-ASSY, HOOD LOCK, SUPPORT, RADIATOR, RH, SUPPORT, RADIATOR, LH, BRACKET, RADIATOR MOUNTING, LOWER NO.1.