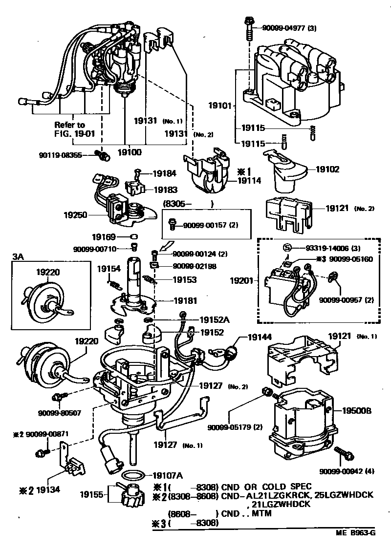
Toyota TERCEL — DISTRIBUTOR

1901
19100DISTRIBUTOR ASSY
19101CAP SUB-ASSY, DISTRIBUTOR
19102ROTOR SUB-ASSY, DISTRIBUTOR
sub19102-73021
19107ARING, O, DISTRIBUTOR HOUSING
19114COVER, WATER PROOF(FOR DISTRIBUTOR)
19115PIECE, DISTRIBUTOR CAP, CENTER
19121COVER, DUST PROOF
NO.2
NO.1
NO.1
19127PACKING, DUST PROOF
NO.2
NO.1
19131HOLDER, CORD
NO.1
NO.2
19134CLAMP ASSY, DISTRIBUTOR
19144LEAD, DISTRIBUTOR BREAKER
19152WEIGHT, GOVERNOR
19152ARING, SNAP(FOR GOVERNOR WEIGHT)
19153SPRING, GOVERNOR, A
19154SPRING, GOVERNOR, B
19155GEAR, SPIRAL, DISTRIBUTOR
19169STOPPER, CAM GREASE
19183ROTOR, SIGNAL
19184SPRING, ROTOR SET
19201IGNITER
19220ADVANCER ASSY, VACUUM, DISTRIBUTOR
19500BCOIL ASSY, IGNITION
9009900124
main90099-00124
9009900157
main90099-00157
9009900710
main90099-00710
9009900871
main90099-00871
9009900942
main90099-00942
9009900957
main90099-00957
9009902198
main90099-02198
9009904977
main90099-04977
9009905160
main90099-05160
9009905179
main90099-05179
9009980507
main90099-80507
9011908355
main90119-08355
9331914006
main93319-14006
38 parts on this diagram · 1 diagram in section