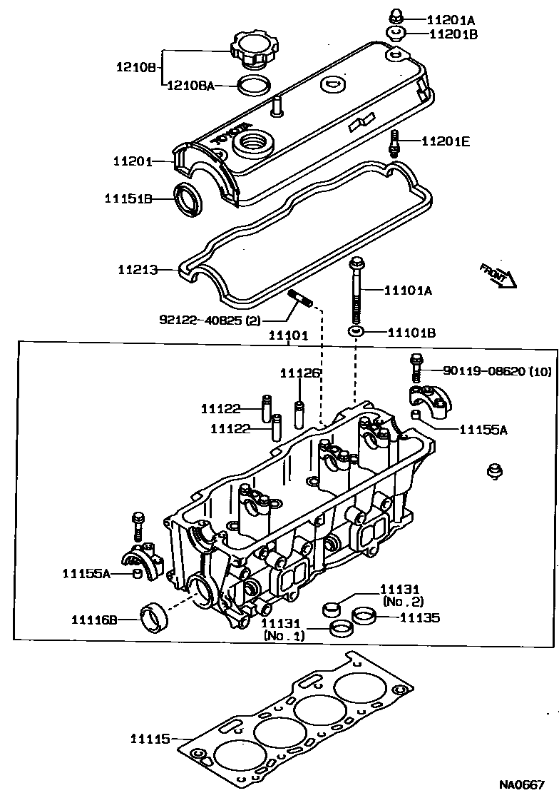
Toyota TERCEL — CYLINDER HEAD

11101HEAD SUB-ASSY, CYLINDER
11101ABOLT(FOR CYLINDER HEAD SET)
11101BWASHER, PLATE(FOR CYLINDER HEAD SET)
11115GASKET, CYLINDER HEAD
T=1.25
11116BPLUG, TIGHT, NO.2
11122BUSH, INTAKE VALVE GUIDE
STD
O/S 0.05
11126BUSH, EXHAUST VALVE GUIDE
STD
O/S 0.05
11131SEAT, INTAKE VALVE
STD,NO.1
O/S 0.03,NO.1
STD,NO.2
O/S 0.03,NO.2
11135SEAT, EXHAUST VALVE
STD
O/S 0.03
11151BSEAL, OIL(FOR CAMSHAFT SETTING)
11155APIN, RING W/HEAD
11201COVER SUB-ASSY, CYLINDER HEAD
11201ANUT, CAP(FOR CYLINDER HEAD COVER)
11201BWASHER, SEAL(FOR CYLINDER HEAD COVER)
11201EBOLT, STUD(FOR CYLINDER HEAD COVER SET)
11213GASKET, CYLINDER HEAD COVER
12108CAP SUB-ASSY, OIL FILLER
12108AGASKET(FOR OIL FILLER CAP)
9011908620
main90119-08620
9212240825
main92122-40825
20 parts on this diagram · 1 diagram in section
CYLINDER HEAD for Toyota TERCEL
This section contains 20 genuine Toyota parts for the CYLINDER HEAD system of the Toyota TERCEL. Key components include: HEAD SUB-ASSY, CYLINDER, BOLT(FOR CYLINDER HEAD SET), WASHER, PLATE(FOR CYLINDER HEAD SET), GASKET, CYLINDER HEAD, PLUG, TIGHT, NO.2.