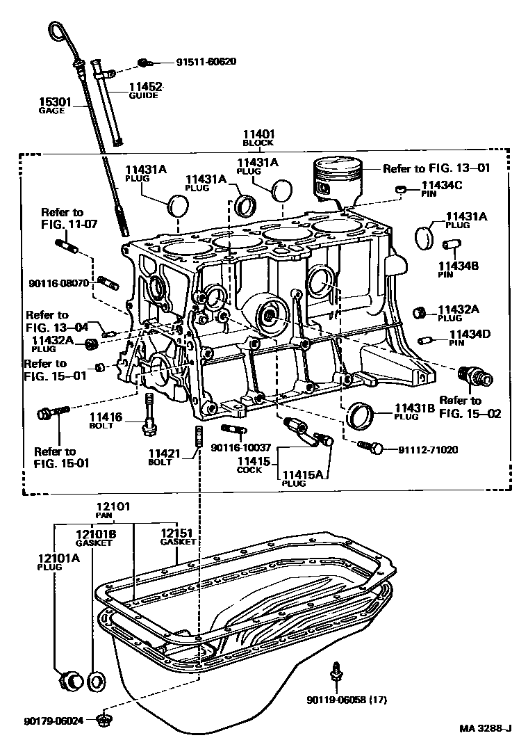
Toyota TERCEL — CYLINDER BLOCK

1107MOUNTING
11401BLOCK SUB-ASSY, CYLINDER
11415COCK SUB-ASSY, WATER DRAIN(FOR CYLINDER BLOCK)
11415APLUG, WATER DRAIN COCK(FOR CYLINDER BLOCK)
11416BOLT(FOR CRANKSHAFT BEARING CAP SET)
*10-1.25PX61-18
11421BOLT, STUD(FOR OIL PAN)
L=21,S=9&9
11431APLUG, TIGHT, NO.1(FOR CYLINDER BLOCK)
OD=35
11431BPLUG, TIGHT, NO.2(FOR CYLINDER BLOCK)
OD=40
11432APLUG, W/HEAD TAPER SCREW, NO.1
11434BPIN, STRAIGHT(FOR CLUTCH HOUSING SET)
L=22,OD=10,L=22,OD=10
11434CPIN, STRAIGHT (FOR CYLINDER HEAD SET)
L=12,OD=13,L=12,OD=13
11434DPIN, STRAIGHT(FOR ENGINE REAR OIL SEAL)
L=14,OD=6,L=14,OD=6
11452GUIDE, OIL LEVEL GAGE
12101PAN SUB-ASSY, OIL
12101APLUG(FOR OIL PAN DRAIN)
12101BGASKET(FOR OIL PAN DRAIN PLUG)
12151GASKET, OIL PAN
1301CRANKSHAFT & PISTON
1304TIMING BELT
1501ENGINE OIL PUMP
1502OIL FILTER
15301GAGE SUB-ASSY, OIL LEVEL
9011608070
main90116-08070
9011610037
main90116-10037
9011906058
main90119-06058
9017906024
main90179-06024
9111271020
main91112-71020
9151160620
main91511-60620
28 parts on this diagram · 2 diagrams in section
CYLINDER BLOCK for Toyota TERCEL
This section contains 30 genuine Toyota parts for the CYLINDER BLOCK system of the Toyota TERCEL. Key components include: MOUNTING, BLOCK SUB-ASSY, CYLINDER, COCK SUB-ASSY, WATER DRAIN(FOR CYLINDER BLOCK), PLUG, WATER DRAIN COCK(FOR CYLINDER BLOCK), BOLT(FOR CRANKSHAFT BEARING CAP SET).