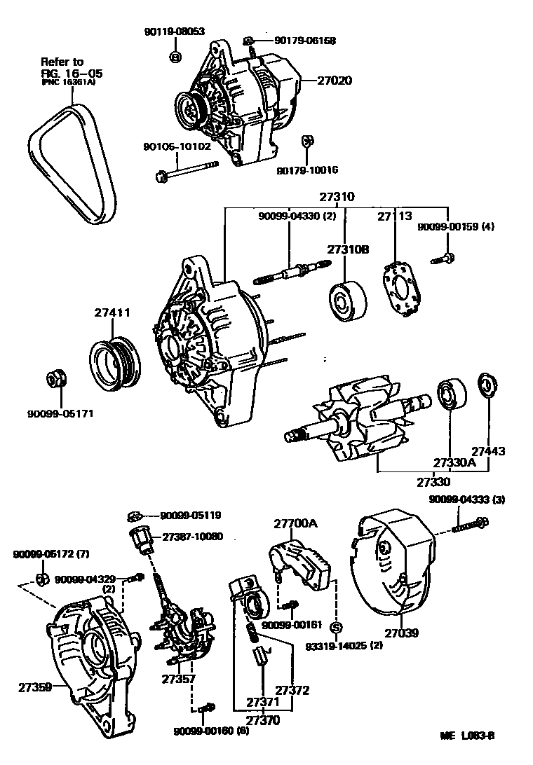
Toyota TERCEL — ALTERNATOR

1605
27020ALTERNATOR ASSY
12V 55A
12V 55A,COLD SPEC OR COLD SPEC & W(AIR CONDITIONER)
12V 60A
27039COVER, ALTERNATOR REAR END
12V 55A,60A,NO.2
NO.1
27113PLATE, BEARING RETAINER, ALTERNATOR
27310FRAME ASSY, DRIVE END, ALTERNATOR
12V 55A
12V 55A,60A
27310BBEARING(FOR ALTERNATOR DRIVE END FRAME)
sub90099-10198
27330ROTOR ASSY, ALTERNATOR
27330ABEARING(FOR ALTERNATOR ROTOR)
27357HOLDER, ALTERNATOR, W/RECTIFIER
12V 55A,60A
27359FRAME, ALTERNATOR RECTIFIER END
12V 55A,60A
27370HOLDER ASSY, ALTERNATOR BRUSH
sub27370-54450
27371BRUSH, ALTERNATOR
sub27371-70300
27372SPRING, ALTERNATOR BRUSH
sub27372-87501
27411PULLEY, ALTERNATOR
27443COVER, ALTERNATOR BEARING
2738710080INSULATOR, TERMINAL
main27387-10080
9009900159
main90099-00159
9009900160
main90099-00160
9009900161
main90099-00161
9009904329
main90099-04329
9009904330
main90099-04330
9009904333
main90099-04333
9009905119
main90099-05119
9009905171
main90099-05171
9009905172
main90099-05172
9010510102
main90105-10102
9011908053
main90119-08053
9017906158
main90179-06158
9017910016
main90179-10016
9331914025
main93319-14025
31 parts on this diagram · 2 diagrams in section