Toyota TERCEL — DISTRIBUTOR

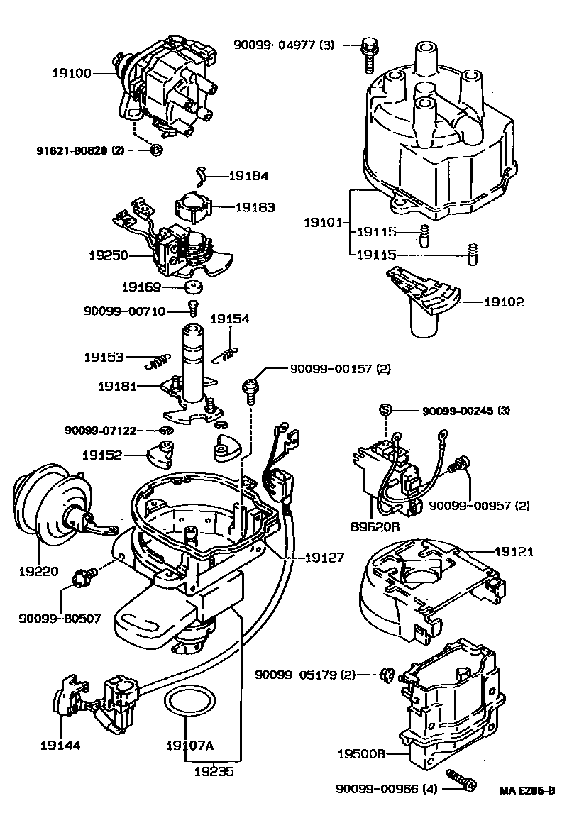
19101CAP SUB-ASSY, DISTRIBUTOR
19102ROTOR SUB-ASSY, DISTRIBUTOR
sub19102-11370
19107ARING, O, DISTRIBUTOR HOUSING
19115PIECE, DISTRIBUTOR CAP, CENTER
19121COVER, DUST PROOF
19127PACKING, DUST PROOF
19144LEAD, DISTRIBUTOR BREAKER
19152WEIGHT, GOVERNOR
19153SPRING, GOVERNOR, A
19154SPRING, GOVERNOR, B
19169STOPPER, CAM GREASE
19181ROTOR, DISTRIBUTOR, SIGNAL
19183ROTOR, SIGNAL
19184SPRING, ROTOR SET
19220ADVANCER ASSY, VACUUM, DISTRIBUTOR
19235HOUSING, DISTRIBUTOR
19250GENERATOR ASSY, SIGNAL
19500BCOIL ASSY, IGNITION
89620BIGNITER ASSY
sub89620-10120
9009900157
main90099-00157
9009900245
main90099-00245
9009900710
main90099-00710
9009900957
main90099-00957
9009900966
main90099-00966
9009904977
main90099-04977
9009905179
main90099-05179
9009907122
main90099-07122
9009980507
main90099-80507
91621B0828
main91621-B0828
30 parts on this diagram · 1 diagram in section