E
EPC Data

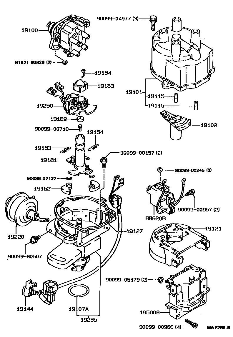
Toyota TERCELDISTRIBUTOR

Parts diagram
19100DISTRIBUTOR ASSY
main19020-11290i199009-199208
main19020-11320i199208-199409
19101CAP SUB-ASSY, DISTRIBUTOR
main19101-11032i199009-199208
main19101-11300i199208-199409
19102ROTOR SUB-ASSY, DISTRIBUTOR
main19102-11031i199009-199409
19107ARING, O, DISTRIBUTOR HOUSING
main90099-14091i199103-199409
main96711-35030i199009-199103
19115PIECE, DISTRIBUTOR CAP, CENTER
main19115-63010×2i199009-199409
19121COVER, DUST PROOF
main19121-11080i199009-199409
19127PACKING, DUST PROOF
main19127-15120i199009-199409
19144LEAD, DISTRIBUTOR BREAKER
main19144-11120i199309-199409
main19144-11130i199009-199107
main19144-11330i199107-199309
19152WEIGHT, GOVERNOR
main19152-15160×2i199009-199409
19153SPRING, GOVERNOR, A
main19153-11030i199009-199409
19154SPRING, GOVERNOR, B
main19154-11030i199009-199409
19169STOPPER, CAM GREASE
main19169-63011i199009-199208
19181ROTOR, DISTRIBUTOR, SIGNAL
main19181-11066i199208-199409
main19181-11290i199009-199208
19183ROTOR, SIGNAL
main19183-15010i199009-199409
19184SPRING, ROTOR SET
main19184-63010i199009-199409
19220ADVANCER ASSY, VACUUM, DISTRIBUTOR
main19220-11060i199009-199208
main19220-11320i199208-199409
19235HOUSING, DISTRIBUTOR
main19235-11080i199009-199409
19250GENERATOR ASSY, SIGNAL
main19251-16100i199009-199409
19500BCOIL ASSY, IGNITION
main90919-02164i199009-199409
89620BIGNITER ASSY
main89620-12340i199009-199409
9009900157
9009900245
9009900710
9009900957
9009900966
9009904977
9009905179
9009907122
9009980507
91621B0828

30 parts on this diagram · 1 diagram in section

Toyota TERCEL DISTRIBUTOR — Parts Diagram | EPC Data