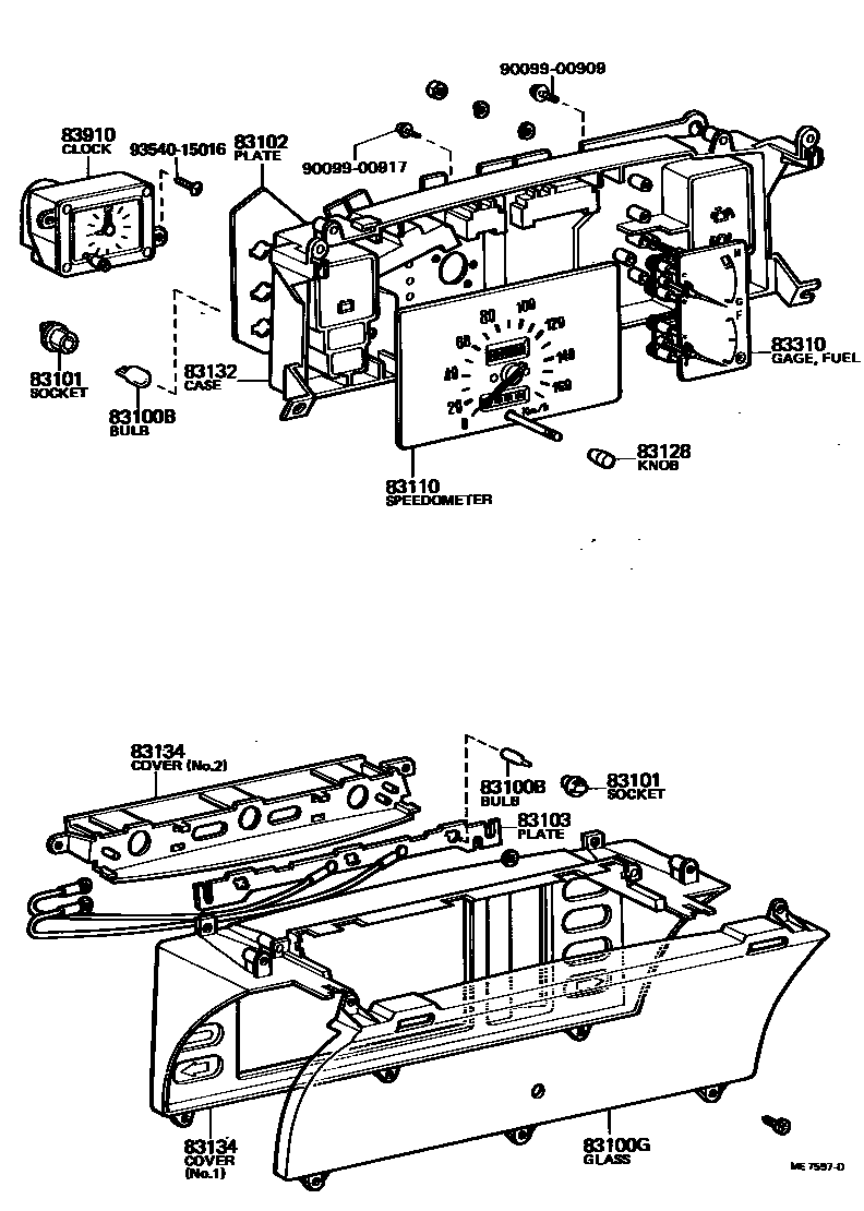
Toyota TERCEL — METER

83100BBULB, COMBINATION METER, NO.1
12V 1.2W W/O SOCKET,12V 1.4W
12V 3.4W,12V 3.4W
83100GGLASS, COMBINATION METER
W/O CLOCK
W/CLOCK
W/CLOCK
WEST GERMANY SPEC
83101SOCKET SUB-ASSY, COMBINATION METER BULB
12V 3.4W
12V 1.4W
83102PLATE SUB-ASSY, COMBINATION METER CIRCUIT, NO.1
W/CLOCK
WEST GERMANY SPEC
W/CLOCK
83103PLATE SUB-ASSY, COMBINATION METER CIRCUIT, NO.2
83110SPEEDOMETER ASSY
KM
KM
KM
MILE & KM
MILE & KM
MILE & KM
KM
KM
KM
KM
MILE & KM
MILE & KM
MILE & KM
KM
KM
WEST GERMANY SPEC
83128KNOB, TRIP COUNTER
83132CASE, COMBINATION METER
WEST GERMANY SPEC
83134COVER, COMBINATION METER, NO.1
NO.1
NO.2
NO.1
NO.2
W/CLOCK
WEST GERMANY SPEC
83310GAGE ASSY, FUEL RECEIVER
WEST GERMANY SPEC
9009900909
main90099-00909
9009900917
main90099-00917
9354015016
main93540-15016
14 parts on this diagram · 6 diagrams in section