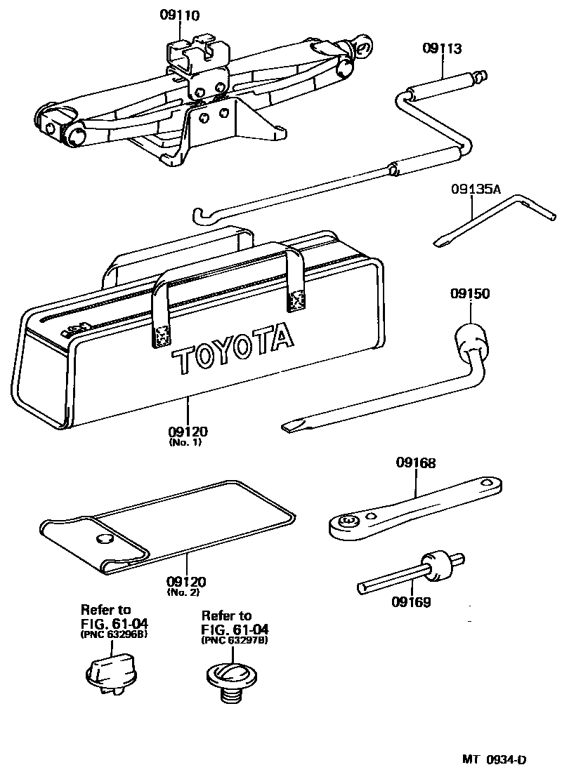
Toyota SUPRA — STANDARD TOOL

09113HANDLE, JACK
sub09113-14030
09120BAG, TOOL
NO.2
NO.1
09135ABIT, SCREW DRIVER
09150WRENCH, HUB NUT BOX
09168WRENCH, ROOF PANEL
09169HANDLE, ROOF PANEL
6104
8 parts on this diagram · 1 diagram in section

8 parts on this diagram · 1 diagram in section