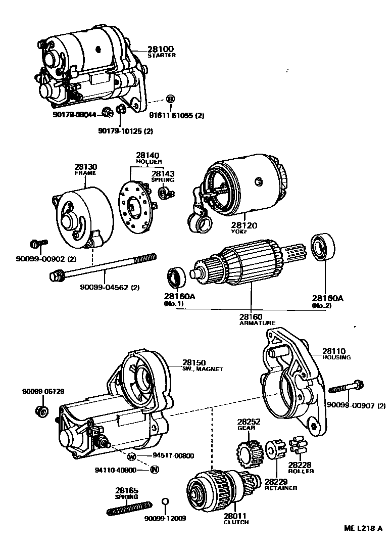
Toyota SUPRA — STARTER

28011CLUTCH SUB-ASSY, STARTER
COLD SPEC
28100STARTER ASSY
12V 1.0KW
12V 1.4KW,COLD SPEC
28110HOUSING ASSY, STARTER DRIVE
COLD SPEC
COLD SPEC
28120YOKE ASSY, STARTER
COLD SPEC
COLD SPEC
28130FRAME ASSY, STARTER COMMUTATOR END
COLD SPEC
COLD SPEC
28140HOLDER ASSY, STARTER BRUSH
COLD SPEC
COLD SPEC
28143SPRING, STARTER BRUSH
28150SWITCH ASSY, MAGNET STARTER
COLD SPEC
COLD SPEC
COLD SPEC
28160ARMATURE ASSY, STARTER
COLD SPEC
COLD SPEC
COLD SPEC
28160ABEARING, STARTER ARMATURE
NO.1
NO.2
COLD SPEC,NO.2
COLD SPEC,NO.1
COLD SPEC,NO.2
COLD SPEC,NO.1
28165SPRING, STARTER MAGNET SWITCH RETURN
COLD SPEC
28228ROLLER, STARTER IDLE GEAR CLUTCH
28229RETAINER, STARTER IDLE GEAR
COLD SPEC
28252GEAR, STARTER IDLE
COLD SPEC
9009900902
main90099-00902
9009900907
main90099-00907
9009904562
main90099-04562
9009905129
main90099-05129
9009912009
main90099-12009
9017908044
main90179-08044
9017910125
main90179-10125
9161161055
main91611-61055
9411040800
main94110-40800
9451100800
main94511-00800
24 parts on this diagram · 2 diagrams in section