E
EPC Data
Pricing
Sign In
Home
›
Toyota
›
STOUT
›
PARTIAL ENGINE ASSEMBLY
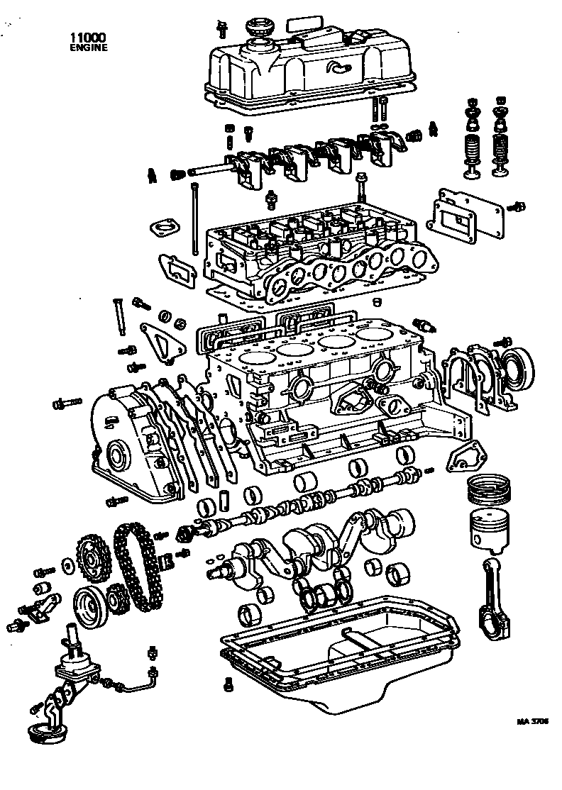
Toyota STOUT — PARTIAL ENGINE ASSEMBLY
11000
ENGINE ASSY, PARTIAL
main
19000-44290
i
5R..RK110
197903-198001
sub
15301-44110
main
19000-44291
i
5R..RK11#
198001-198603
1 parts on this diagram · 1 diagram in section
Toyota STOUT PARTIAL ENGINE ASSEMBLY — Parts Diagram | EPC Data