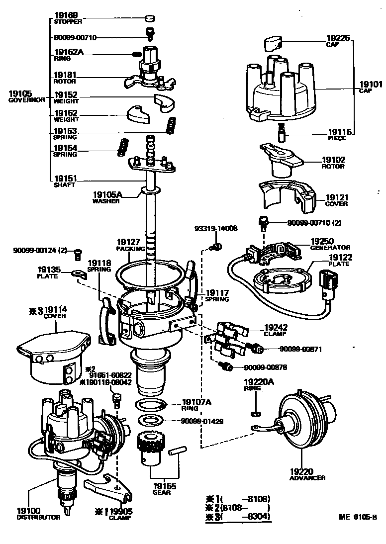
Toyota STARLET — DISTRIBUTOR

19100DISTRIBUTOR ASSY
CALIFORNIA SPEC
19101CAP SUB-ASSY, DISTRIBUTOR
19102ROTOR SUB-ASSY, DISTRIBUTOR
19105GOVERNOR SUB-ASSY
CALIFORNIA SPEC
19105AWASHER(FOR GOVERNOR SHAFT THRUST)
T=2.5,T=2.5
T=2.7,T=2.7
T=2.9,T=2.9
T=2.3,T=2.3
19107ARING, O, DISTRIBUTOR HOUSING
19114COVER, WATER PROOF(FOR DISTRIBUTOR)
COLD SPEC
19115PIECE, DISTRIBUTOR CAP, CENTER
19117SPRING, DISTRIBUTOR CAP, A
19118SPRING, DISTRIBUTOR CAP, B
19121COVER, DUST PROOF
NO.2
NO.1
19122PLATE, STATIONARY, DISTRIBUTOR
19127PACKING, DUST PROOF
19135PLATE, HOLDER
19151SHAFT, GOVERNOR
19152WEIGHT, GOVERNOR
19152ARING, SNAP(FOR GOVERNOR WEIGHT)
19153SPRING, GOVERNOR, A
CALIFORNIA SPEC
19154SPRING, GOVERNOR, B
CALIFORNIA SPEC
19155GEAR, SPIRAL, DISTRIBUTOR
19169STOPPER, CAM GREASE
19181ROTOR, DISTRIBUTOR, SIGNAL
CALIFORNIA SPEC
19220ADVANCER ASSY, VACUUM, DISTRIBUTOR
CALIFORNIA SPEC
19220ARING, SNAP(FOR DISTRIBUTOR VACUUM ADVANCER)
19225CAP, RUBBER
19250GENERATOR ASSY, SIGNAL
19905CLAMP SUB-ASSY, DISTRIBUTOR
9009900124
main90099-00124
9009900710
main90099-00710
9009900871
main90099-00871
9009900878
main90099-00878
9009901429
main90099-01429
9011908042
main90119-08042
9165160822
main91651-60822
9331914008
main93319-14008
36 parts on this diagram · 3 diagrams in section
DISTRIBUTOR for Toyota STARLET
This section contains 38 genuine Toyota parts for the DISTRIBUTOR system of the Toyota STARLET. Key components include: DISTRIBUTOR ASSY, CAP SUB-ASSY, DISTRIBUTOR, ROTOR SUB-ASSY, DISTRIBUTOR, GOVERNOR SUB-ASSY, WASHER(FOR GOVERNOR SHAFT THRUST).