Toyota STARLET — DISTRIBUTOR

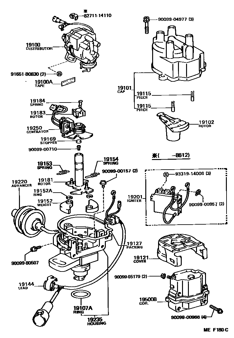
19100DISTRIBUTOR ASSY
*52
*52
*52
19100ATAPE, SEALING
19101CAP SUB-ASSY, DISTRIBUTOR
19102ROTOR SUB-ASSY, DISTRIBUTOR
19107ARING, O, DISTRIBUTOR HOUSING
19115PIECE, DISTRIBUTOR CAP, CENTER
19121COVER, DUST PROOF
NO.2
NO.1
NO.2
19127PACKING, DUST PROOF
NO.2
NO.1
19144LEAD, DISTRIBUTOR BREAKER
19152WEIGHT, GOVERNOR
19152ARING, SNAP(FOR GOVERNOR WEIGHT)
19153SPRING, GOVERNOR, A
*52
19154SPRING, GOVERNOR, B
*52
19169STOPPER, CAM GREASE
19181ROTOR, DISTRIBUTOR, SIGNAL
*52
*52
19183ROTOR, SIGNAL
19184SPRING, ROTOR SET
19201IGNITER
19220ADVANCER ASSY, VACUUM, DISTRIBUTOR
*52
19235HOUSING, DISTRIBUTOR
19250GENERATOR ASSY, SIGNAL
19500BCOIL ASSY, IGNITION
8271114110WIRE, FUSE TO FUSE(FOR COMBUSTION HEATER)
main82711-14110
9009900157
main90099-00157
9009900710
main90099-00710
9009900957
main90099-00957
9009900966
main90099-00966
9009904977
main90099-04977
9009905179
main90099-05179
9009980507
main90099-80507
91651B0830
main91651-B0830
9331914006
main93319-14006
32 parts on this diagram · 4 diagrams in section
DISTRIBUTOR for Toyota STARLET
This section contains 51 genuine Toyota parts for the DISTRIBUTOR system of the Toyota STARLET. Key components include: DISTRIBUTOR ASSY, TAPE, SEALING, CAP SUB-ASSY, DISTRIBUTOR, ROTOR SUB-ASSY, DISTRIBUTOR, BREAKER SUB-ASSY, DISTRIBUTOR.