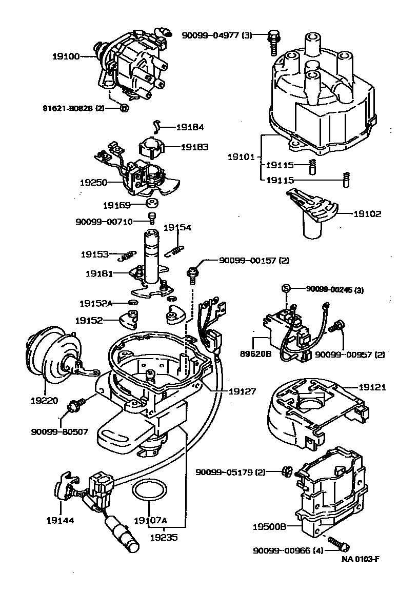
Toyota STARLET — DISTRIBUTOR

19115PIECE, DISTRIBUTOR CAP, CENTER
19121COVER, DUST PROOF
19127PACKING, DUST PROOF
19152WEIGHT, GOVERNOR
19152ARING, SNAP(FOR GOVERNOR WEIGHT)
19153SPRING, GOVERNOR, A
19154SPRING, GOVERNOR, B
19169STOPPER, CAM GREASE
19181ROTOR, DISTRIBUTOR, SIGNAL
19183ROTOR, SIGNAL
19184SPRING, ROTOR SET
19220ADVANCER ASSY, VACUUM, DISTRIBUTOR
19250GENERATOR ASSY, SIGNAL
19500BCOIL ASSY, IGNITION
9009900157
main90099-00157
9009900245
main90099-00245
9009900710
main90099-00710
9009900957
main90099-00957
9009900966
main90099-00966
9009904977
main90099-04977
9009905179
main90099-05179
9009980507
main90099-80507
91621B0828
main91621-B0828
30 parts on this diagram · 2 diagrams in section
DISTRIBUTOR for Toyota STARLET
This section contains 32 genuine Toyota parts for the DISTRIBUTOR system of the Toyota STARLET. Key components include: DISTRIBUTOR ASSY, CAP SUB-ASSY, DISTRIBUTOR, ROTOR SUB-ASSY, DISTRIBUTOR, RING, O, DISTRIBUTOR HOUSING, PIECE, DISTRIBUTOR CAP, CENTER.