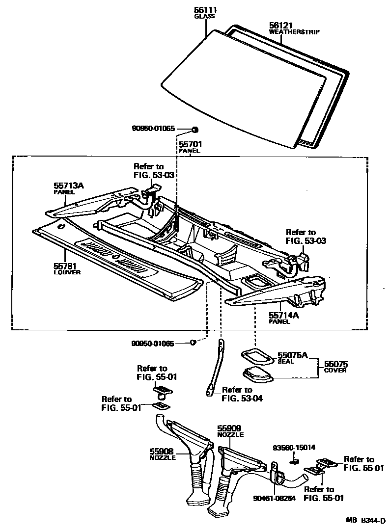
Toyota STARLET — COWL PANEL & WINDSHIELD GLASS

5303HOOD LOCK & HINGE
5304FRONT FENDER APRON & DASH PANEL
5501INSTRUMENT PANEL & GLOVE COMPARTMENT
55075COVER SUB-ASSY, HEATER AIR DUCT HOLE
W/O HEATER
W/O HEATER
W/O HEATER
W/O HEATER
55075ASEAL, HEATER AIR DUCT HOLE
W/O HEATER
W/O HEATER
55701PANEL SUB-ASSY, COWL
W/O HEATER
W/COOLER
W/COOLER
W/HEATER
*GIS
*GIS
W/COOLER,*GIS
W/HEATER
W/O HEATER
*GIS
55781LOUVER, COWL VENTILATOR
55908NOZZLE SUB-ASSY, DEFROSTER, RH
55909NOZZLE SUB-ASSY, DEFROSTER, LH
56111GLASS, WINDSHIELD
main56111-10140iKP60;KP61,62..RHD;KP62..LHD..5F;KP61..LHD..5F..GEN;KP61..LHD..3D..GEN;KP61..LHD..5F..EUG;KP62..LHD..4F..GEN;KP62..LHD..4F..EUG;KP61..LHD..(4D,5D)..(3FC,4F);KP61..LHD..3D..(3FC,4F)..EUG197802-198409
*TZT,T=5.0
main56111-10150iKP60;KP61,62..RHD;KP62..LHD..5F;KP61..LHD..5F..GEN;KP61..LHD..3D..GEN;KP61..LHD..5F..EUG;KP62..LHD..4F..GEN;KP62..LHD..4F..EUG;KP61..LHD..(4D,5D)..(3FC,4F);KP61..LHD..3D..(3FC,4F)..EUG197802-198409
*ZT,T=5.0
*LAM,T=5.7
*LAM,T=5.3
*TL,T=5.7
main56111-10171iKP60;KP61,62..RHD;KP62..LHD..5F;KP62..4F..EUG;KP61..LHD..3D..GEN;KP61..LHD..5F..EUG;KP62..LHD..4F..GEN;KP61..LHD..5F..GEN;KP61..LHD..(4D,5D)..(3FC,4F);KP61..LHD..3D..(3FC,4F)..EUG198005-198409
*TL,T=5.3
56121WEATHERSTRIP, WINDSHIELD
W/MOULDING
W/O MOULDING
9046108264
main90461-08264
9095001065
main90950-01065
9356015014
main93560-15014
16 parts on this diagram · 2 diagrams in section
COWL PANEL & WINDSHIELD GLASS for Toyota STARLET
This section contains 24 genuine Toyota parts for the COWL PANEL & WINDSHIELD GLASS system of the Toyota STARLET. Key components include: HOOD LOCK & HINGE, FRONT FENDER APRON & DASH PANEL, INSTRUMENT PANEL & GLOVE COMPARTMENT, COVER SUB-ASSY, HEATER AIR DUCT HOLE, SEAL, HEATER AIR DUCT HOLE.