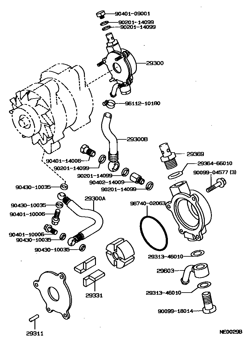
Toyota SPRINTER — VACUUM PUMP

29300PUMP ASSY, VACUUM
29300AHOSE, VACUUM PUMP OIL INLET
29311PIN, VACUUM PUMP DOWEL, NO.1
29331BLADE, VACUUM PUMP, A
29369VALVE SUB-ASSY, CHECK
29603PIPE, VACUUM PUMP OIL OUTLET
2931346010
main29313-46010
2936466010WASHER, VACUUM PUMP
main29364-66010
9009904577
main90099-04577
9009918014
main90099-18014
9020114099
main90201-14099
9040109001
main90401-09001
9040110006
main90401-10006
9040114006
main90401-14006
9040214009
main90402-14009
9043010035
main90430-10035
9611210180
main96112-10180
9674002063
main96740-02063
19 parts on this diagram · 1 diagram in section