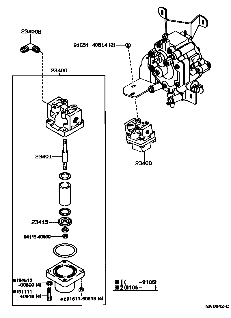
Toyota SPRINTER — LPG FILTER

23400FILTER ASSY, LPG
23400BUNION, LPG FILTER INLET
23401BOLT SUB-ASSY, STUD(FOR LPG FILTER)
23415PLATE, ELEMENT
9111140618
main91111-40618
9161160618
main91611-60618
9165140614
main91651-40614
9411540500
main94115-40500
9451200600
main94512-00600
9 parts on this diagram · 1 diagram in section