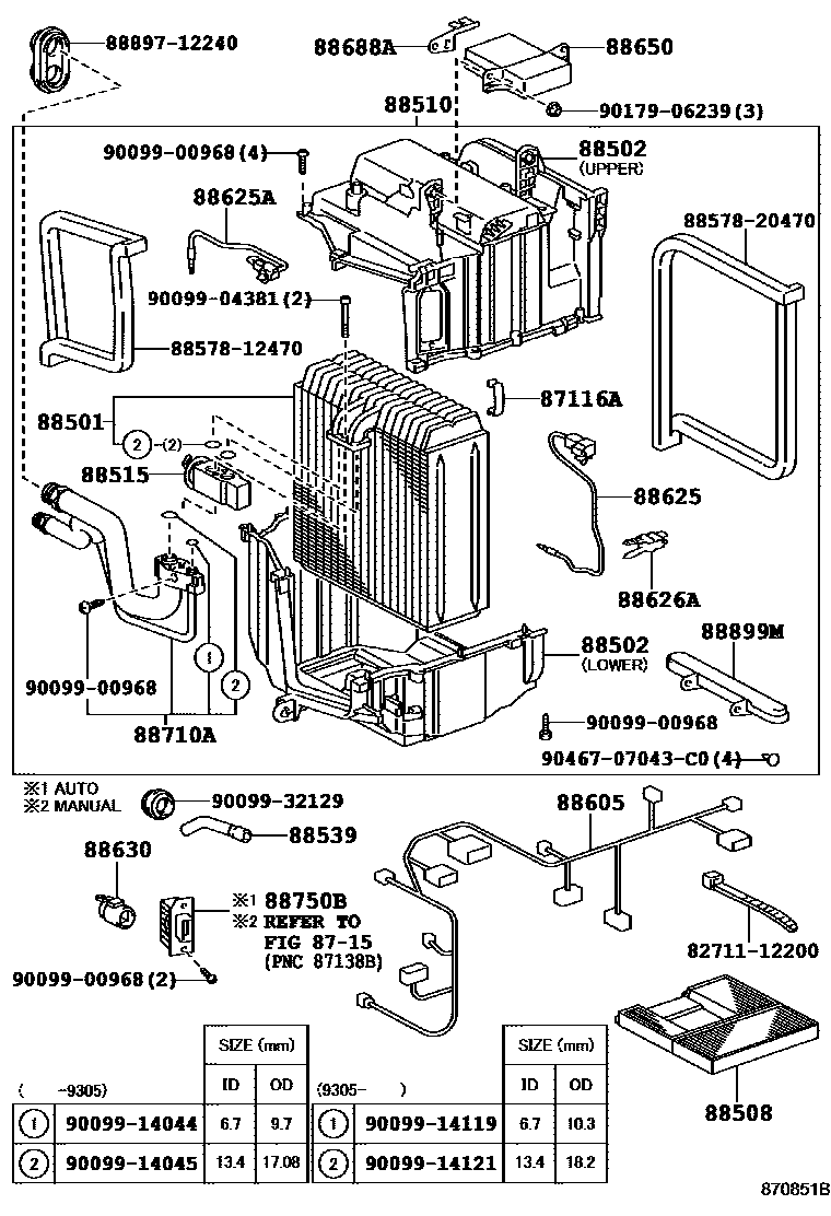
Toyota SPRINTER — HEATING & AIR CONDITIONING - COOLER UNIT

87116ASPRING, HOLDING (FOR COOLER UNIT CASE)
8715HEATING & AIR CONDITIONING - CONTROL & AIR DUCT
88501EVAPORATOR SUB-ASSY, COOLER, NO.1
88502CASE SUB-ASSY, COOLING UNIT
main88502-12160iAE100..XE; AE104,CE100,104,108,EE103,104..DX,L,XE,XL; AE104,CE100,104..LX,SEL;AE100,CE106,109,EE101,102199405-199406
main88502-12170iCE100,EE107..DX,SEL,XE,XL;AE10#,CE104,108,EE108..GT,L,SEG,SEL,XE; EE101;CE100..LX;AE100,104,CE104,106,109,EE106..CTD,DX,LX,XL199205-199210
main88502-12180iAE10#,CE100,104..GT,SEG,SEL; CE100,EE101..LX,XE;AE100,104,CE104..DX,LX,XE199106-199505
88508FILTER SUB-ASSY, CLEAN AIR
88510UNIT ASSY, COOLER
main88510-1A270iCE100,104,108,EE103,104,107,108..DX,L,XE,XL; CE100,104..LX,SEL;CE106,109,EE101,102,106199305-199508
88515VALVE, COOLER EXPANSION
main88515-33010iCE100..SEL;AE100,104,CE104..SEL,XE;CE106,109,EE101,106..CTD,DX,XL; CE100..XE; EE101..LX,XE;AE100,104,CE100,104,108,EE107,108..DX,L,LX,XL199211-199305
88539HOSE, COOLER UNIT DRAIN, NO.1
88605HARNESS SUB-ASSY, COOLER WIRING, NO.1
88625THERMISTOR, COOLER, NO.1
88625ATHERMISTOR, COOLER NO.2
88626AHOLDER, THERMISTOR
88630RELAY ASSY, COOLER
88650AMPLIFIER ASSY, COOLER STABILIZER
main88650-1A460iAE10#,CE100,104..GT,SEG,SEL; CE100,EE101..LX,XE;AE100,104,CE104..DX,LX,XE199106-199305
main88650-1A850iAE10#,CE100,104..GT,SEG,SEL; CE100,EE101..LX,XE;AE100,104,CE104..DX,LX,XE199305-199505
88688ABRACKET, COOLER STABILIZER AMPLIFIER
main88688-1A090iAE100,104..XE; CE100,104,EE101;AE100,104,CE106,108,109,EE106,107,108..CTD,DX,L,LX,SEL,XL199205-199305
88710ATUBE ASSY, AIR CONDITIONER
88750BTRANSISTOR ASSY, BLOWER RESISTOR
88899MPLATE, COVER(FOR AIR FILTER)
8271112200WIRE, FUSE TO FUSE(FOR COMBUSTION HEATER)
main82711-12200
8857812470PAKING, COOLER AIR DUCT
main88578-12470
8857820470PAKING, COOLER AIR DUCT
main88578-20470
8889712240VALVE, COOLER MAGNET
main88897-12240
9009900968
main90099-00968
9009904381
main90099-04381
9009914044
main90099-14044
9009914045
main90099-14045
9009914119
main90099-14119
9009914121
main90099-14121
9009932129
main90099-32129
9017906239
main90179-06239
9046707043C0
main90467-07043C0
31 parts on this diagram · 3 diagrams in section
HEATING & AIR CONDITIONING - COOLER UNIT for Toyota SPRINTER
This section contains 38 genuine Toyota parts for the HEATING & AIR CONDITIONING - COOLER UNIT system of the Toyota SPRINTER. Key components include: SPRING, HOLDING (FOR COOLER UNIT CASE), RESISTOR, BLOWER, HEATING & AIR CONDITIONING - CONTROL & AIR DUCT, EVAPORATOR SUB-ASSY, COOLER, NO.1, CASE SUB-ASSY, COOLING UNIT.