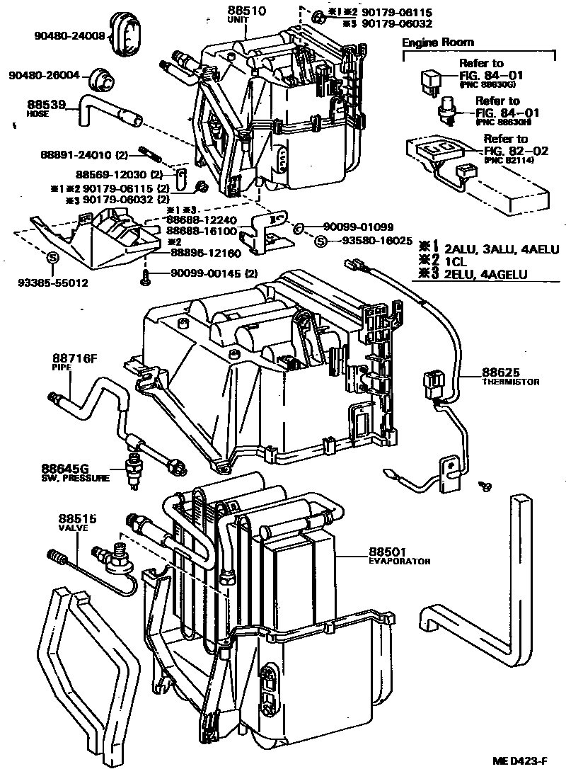
Toyota SPRINTER — HEATING & AIR CONDITIONING - COOLER UNIT

8202WIRING & CLAMP
8401SWITCH & RELAY & COMPUTER
88501EVAPORATOR SUB-ASSY, COOLER, NO.1
88510UNIT ASSY, COOLER
88515VALVE, COOLER EXPANSION
88539HOSE, COOLER UNIT DRAIN, NO.1
88625THERMISTOR, COOLER, NO.1
88645GSWITCH, PRESSURE
88716FPIPE, COOLER REFRIGERANT LIQUID, F
8856912030CLAMP (FOR COOLER RELAY)
main88569-12030
8868812240BRACKET, COOLER DIAPHRAGM
main88688-12240
8868816100BRACKET, COOLER DIAPHRAGM
main88688-16100
8889124010PACKING (FOR COOLER)
main88891-24010
8889612160PLATE, COOLER AIR OUTLET GRILLE ORNAMENT
main88896-12160
9009900145
main90099-00145
9009901099
main90099-01099
9017906032
main90179-06032
9017906115
main90179-06115
9048024008
main90480-24008
9048026004
main90480-26004
9338555012
main93385-55012
9358016025
main93580-16025
22 parts on this diagram · 2 diagrams in section
HEATING & AIR CONDITIONING - COOLER UNIT for Toyota SPRINTER
This section contains 41 genuine Toyota parts for the HEATING & AIR CONDITIONING - COOLER UNIT system of the Toyota SPRINTER. Key components include: WIRING & CLAMP, SWITCH & RELAY & COMPUTER, EVAPORATOR SUB-ASSY, COOLER, NO.1, UNIT ASSY, COOLER, VALVE, COOLER EXPANSION.