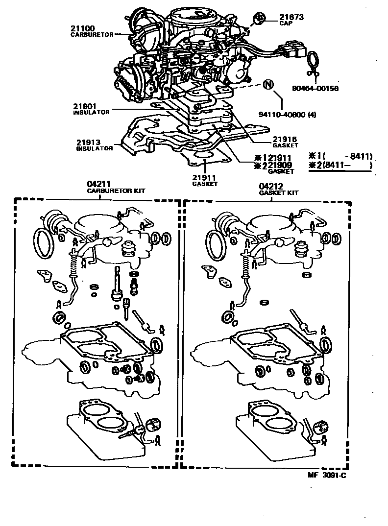
Toyota SPRINTER — CARBURETOR ASSEMBLY

04211CARBURETOR KIT
04212GASKET KIT, CARBURETOR
*52
21100CARBURETOR ASSY
*52
21673CAP, IDLE LIMIT
21901INSULATOR SUB-ASSY, CARBURETOR HEAT, NO.1
21909INSULATOR SUB-ASSY, CARBURETOR HEAT, NO.3
21911GASKET, CARBURETOR
21913INSULATOR, CARBURETOR HEAT, NO.2
21916GASKET, CARBURETOR, NO.2
9046400156
main90464-00156
9411040800
main94110-40800
11 parts on this diagram · 2 diagrams in section
CARBURETOR ASSEMBLY for Toyota SPRINTER
This section contains 11 genuine Toyota parts for the CARBURETOR ASSEMBLY system of the Toyota SPRINTER. Key components include: CARBURETOR KIT, GASKET KIT, CARBURETOR, CARBURETOR ASSY, CAP, IDLE LIMIT, INSULATOR SUB-ASSY, CARBURETOR HEAT, NO.1.