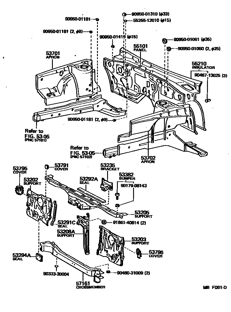
Toyota SPRINTER TRUENO — FRONT FENDER APRON & DASH PANEL

5305FLOOR SIDE MEMBER
53202SUPPORT SUB-ASSY, RADIATOR, RH
53203SUPPORT SUB-ASSY, RADIATOR, LH
53205SUPPORT SUB-ASSY, RADIATOR, UPPER
53208ASUPPORT SUB-ASSY, HOOD LOCK
53235BRACKET, HORN MOUNTING
53291CSEAL, RADIATOR SUPPORT TO FRAME
53292ASEAL, RADIATOR SUPPORT, UPPER
53294ASEAL, COOL AIR INTAKE PIPE
W/AIR CON
53382BUMPER, HOOD, FRONT
53701APRON SUB-ASSY, FRONT FENDER, RH
53702APRON SUB-ASSY, FRONT FENDER, LH
W/O POWER STEERING
W/POWER STEERING
53791COVER, COOL AIR INTAKE HOLE
53795COVER, HEADLAMP WIRE HARNESS HOLE, RH
53796COVER, HEADLAMP WIRE HARNESS HOLE, LH
55210INSULATOR ASSY, DASH PANEL
57161CROSSMEMBER, FRONT
5525512010COVER, CLUTCH MASTER CYLINDER HOLE
main55255-12010
9017908143
main90179-08143
9033330004
main90333-30004
9046713025
main90467-13025
9048031009
main90480-31009
9095001060
main90950-01060
9095001061
main90950-01061
9095001181
main90950-01181
9095001310
main90950-01310
9095001419
main90950-01419
9166140614
main91661-40614
29 parts on this diagram · 1 diagram in section
FRONT FENDER APRON & DASH PANEL for Toyota SPRINTER TRUENO
This section contains 29 genuine Toyota parts for the FRONT FENDER APRON & DASH PANEL system of the Toyota SPRINTER TRUENO. Key components include: FLOOR SIDE MEMBER, SUPPORT SUB-ASSY, RADIATOR, RH, SUPPORT SUB-ASSY, RADIATOR, LH, SUPPORT SUB-ASSY, RADIATOR, UPPER, SUPPORT SUB-ASSY, HOOD LOCK.