Toyota SPRINTER CARIB — INDICATOR

3312
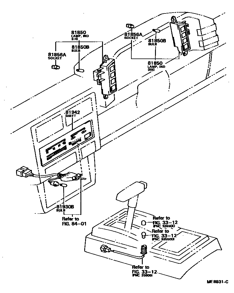
81850LAMP ASSY, INDICATOR
LH
RH
LH
LH,RV SPECIAL
LH
LH,RV SPECIAL
81850BBULB, INDICATOR LAMP
81856ASOCKET, INDICATOR LAMP
81930BBULB, HEATER CONTROL INDICATOR LAMP
81942SHEET, HEATER CONTROL NAME
AUTOMATIC AIR CONDITIONER
AUTOMATIC AIR CONDITIONER
8401
7 parts on this diagram · 1 diagram in section