Toyota SPARKY — STARTER

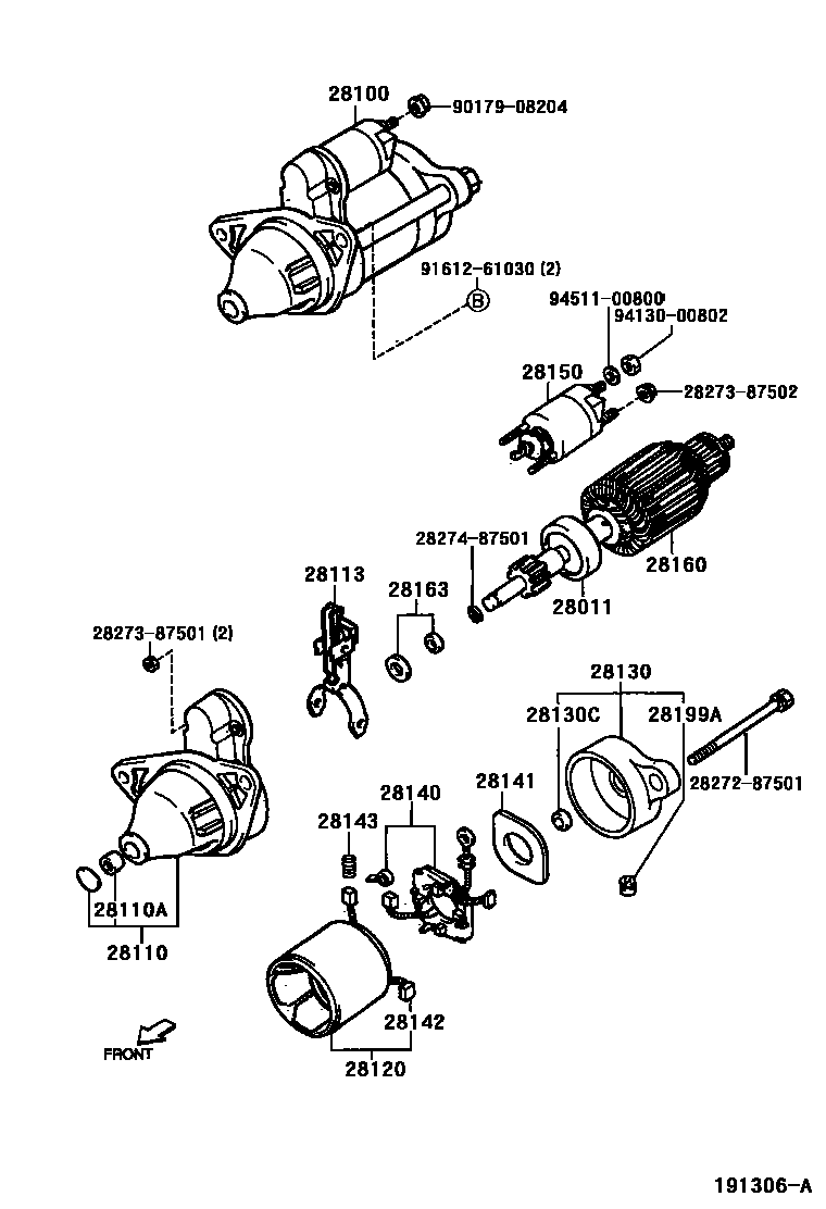
28011CLUTCH SUB-ASSY, STARTER
28100STARTER ASSY
28110HOUSING ASSY, STARTER DRIVE
28110ABEARING(FOR STARTER HOUSING)
28113LEVER, STARTER PINION DRIVE
28120YOKE ASSY, STARTER
28130FRAME ASSY, STARTER COMMUTATOR END
28130CBEARING, STARTER FLANGE
28140HOLDER ASSY, STARTER BRUSH
28141INSULATOR, BRUSH HOLDER
28143SPRING, STARTER BRUSH
28150SWITCH ASSY, MAGNET STARTER
28160ARMATURE ASSY, STARTER
28163NUT OR COLLAR, PINION STOP, STARTER
28199APROTECTOR, DUST STARTER
2827287501
main28272-87501
2827387501
main28273-87501
2827387502
main28273-87502
2827487501SNAP RING, STARTER, NO.1
main28274-87501
9017908204
main90179-08204
9161261030
main91612-61030
9413000802
main94130-00802
9451100800
main94511-00800
24 parts on this diagram · 2 diagrams in section
STARTER for Toyota SPARKY
This section contains 38 genuine Toyota parts for the STARTER system of the Toyota SPARKY. Key components include: CLUTCH SUB-ASSY, STARTER, BEARING, STARTER CENTER & SHOCK ABSORBER, NO.1, BEARING, STARTER CENTER & SHOCK ABSORBER, NO.2, SHAFT SUB-ASSY, PLANET CARRIER, BUSH OR BEARING, PLANET CARRIER SHAFT.