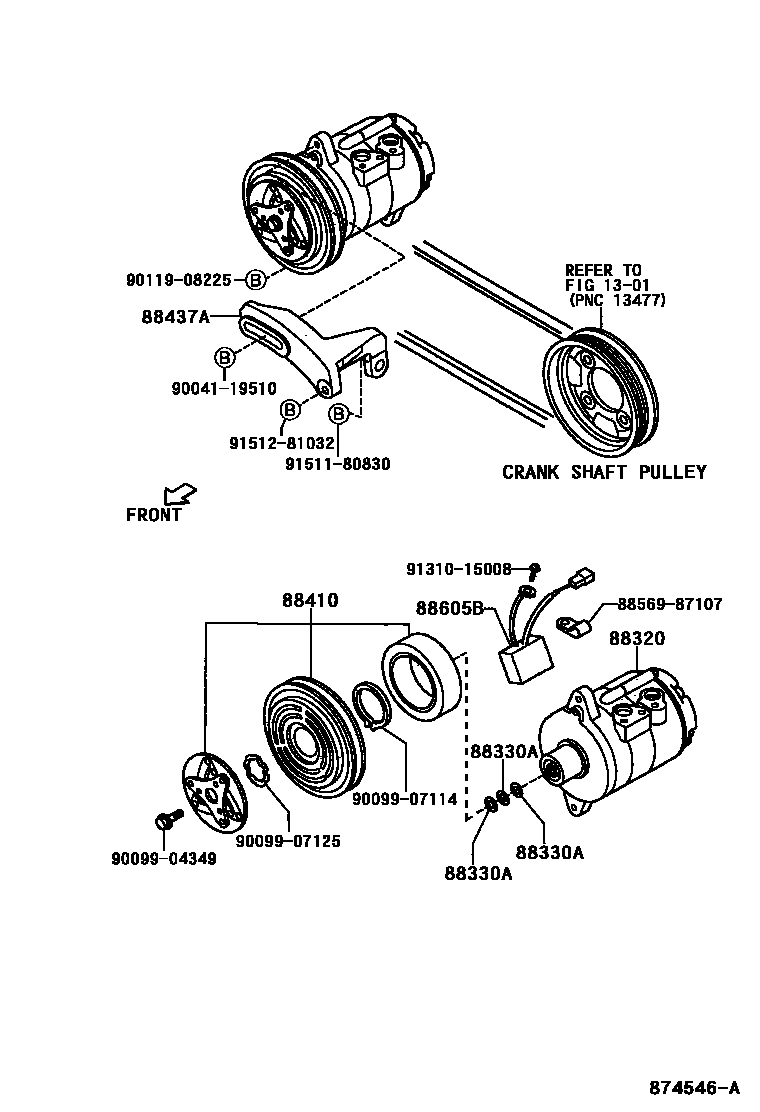
Toyota SPARKY — HEATING & AIR CONDITIONING - COMPRESSOR

1301CRANKSHAFT & PISTON
88320COMPRESSOR ASSY, COOLER
88330AWASHER (FOR MAGNET CLUTCH)
88410CLUTCH ASSY, MAGNET
88437AATTACHMENT, COMPRESSOR
88605BHARNESS SUB-ASSY, AIR CONDITIONER WIRING
8856987107CLAMP (FOR COOLER RELAY)
main88569-87107
9004119510
main90041-19510
9009904349
main90099-04349
9009907114
main90099-07114
9009907125
main90099-07125
9011908225
main90119-08225
9131015008
main91310-15008
9151180830
main91511-80830
9151281032
main91512-81032
15 parts on this diagram · 1 diagram in section
HEATING & AIR CONDITIONING - COMPRESSOR for Toyota SPARKY
This section contains 15 genuine Toyota parts for the HEATING & AIR CONDITIONING - COMPRESSOR system of the Toyota SPARKY. Key components include: CRANKSHAFT & PISTON, COMPRESSOR ASSY, COOLER, WASHER (FOR MAGNET CLUTCH), CLUTCH ASSY, MAGNET, ATTACHMENT, COMPRESSOR.