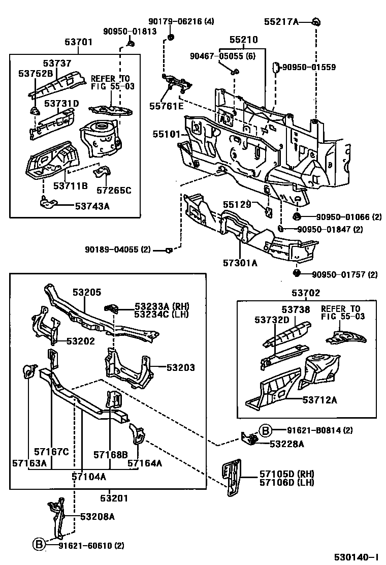
Toyota SPACIO — FRONT FENDER APRON & DASH PANEL

53202SUPPORT SUB-ASSY, RADIATOR, RH
53203SUPPORT SUB-ASSY, RADIATOR, LH
53205SUPPORT SUB-ASSY, RADIATOR, UPPER
53208ASUPPORT SUB-ASSY, HOOD LOCK
53228ABRACKET, RADIATOR MOUNTING, LOWER NO.1
53233ABRACKET, HEADLAMP, NO.1 RH
53234CBRACKET, HEADLAMP, NO.1 LH
53701APRON SUB-ASSY, FRONT FENDER, RH
53702APRON SUB-ASSY, FRONT FENDER, LH
53711BAPRON, FRONT FENDER, FRONT RH
53712AAPRON, FRONT FENDER, W/SUPPORT, FRONT LH
53731DMEMBER, FRONT APRON TO COWL SIDE, UPPER RH
53732DMEMBER, FRONT APRON TO COWL SIDE, UPPER LH
53737PLATE, FRONT APRON TO COWL SIDE MEMBER, RH
53738PLATE, FRONT APRON TO COWL SIDE MEMBER, LH
53743AREINFORCEMENT, FRONT FENDER APRON, FRONT RH
53752BBRACKET, WASHER TANK MOUNTING
5503
55101PANEL SUB-ASSY, DASH
55129COVER, DASH PANEL HOLE
55210INSULATOR ASSY, DASH PANEL
55217ARETAINER, DASH PANEL SILENCER
55761EBRACKET, HEATER MOUNTING
57106DPLATE SUB-ASSY, FRONT SIDE MEMBER, LH
57163AREINFORCEMENT, FRONT CROSSMEMBER, NO.1 RH
57164AREINFORCEMENT, FRONT CROSSMEMBER, NO.1 LH
57167CGUSSET, FRONT CROSSMEMBER SIDE, RH
57168BGUSSET, FRONT CROSSMEMBER SIDE, LH
57265CBRACKET, ENGINE MOUNTING, RH
57301AMEMBER SUB-ASSY, STEERING GEAR BOX SUPPORT
9017906216
main90179-06216
9018904055
main90189-04055
9046705055
main90467-05055
9095001066
main90950-01066
9095001559
main90950-01559
9095001757
main90950-01757
9095001813
main90950-01813
9095001847
main90950-01847
9162160610
main91621-60610
91621B0814
main91621-B0814
43 parts on this diagram · 1 diagram in section