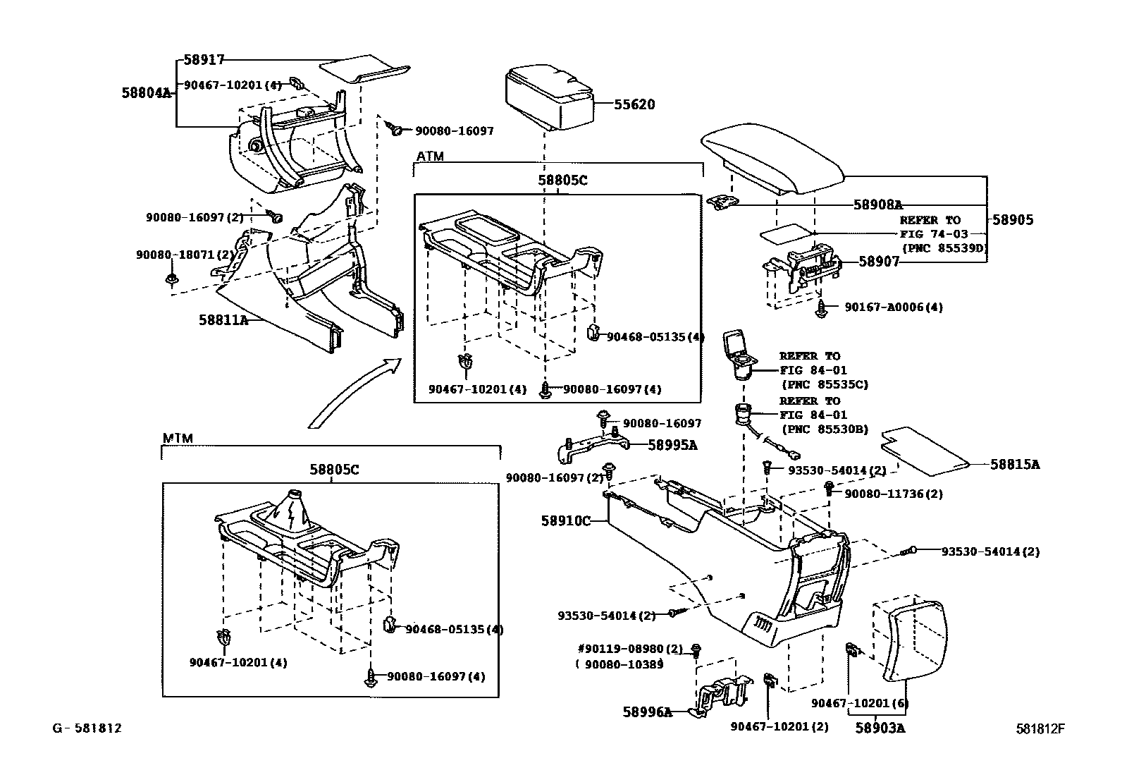
Toyota SOLARA — CONSOLE BOX & BRACKET

55620HOLDER ASSY, INSTRUMENT PANEL CUP
58804APANEL SUB-ASSY, CONSOLE, UPPER
IVORY,TRIM0#
DK. STONE,TRIM10
DK.GRAY,TRIM11
IVORY,TRIM0#
DK. STONE,TRIM10
DK.GRAY,TRIM11
IVORY,TRIM0#
DK. STONE,TRIM1#
SEAT HEATER-WITH(DRIVER&PASSENGER),IVORY,TRIM0#
DRIVER POWER SEAT + LEATHER PACKAGE&SEAT HEATER-WITH(DRIVER&PASSENGER),DK. STONE,TRIM1#
SEAT HEATER-WITH(D&P SEAT),IVORY,TRIM0#
SEAT HEATER-WITH(D&P SEAT),DK. STONE,TRIM1#
58805CPANEL SUB-ASSY, CONSOLE, UPPER REAR
IVORY,TRIM0#
DK. STONE,TRIM10
DK.GRAY,TRIM11
IVORY,TRIM0#
DK. STONE,TRIM10
DK.GRAY,TRIM11
IVORY,TRIM00
DK. STONE,TRIM10
DK.GRAY,TRIM11
IVORY,TRIM0#
DK. STONE,TRIM10
DK.GRAY,TRIM11
58811ABOX, CONSOLE, FRONT
IVORY,TRIM0#
DK. STONE,TRIM10
DK.GRAY,TRIM11
58815ACARPET, CONSOLE BOX
58903APANEL SUB-ASSY, CONSOLE REAR END
IVORY,TRIM0#
DK.GRAY,TRIM11
DK. STONE,TRIM10
58905DOOR SUB-ASSY, CONSOLE COMPARTMENT
IVORY,TRIM0#
DK.GRAY,TRIM11
DK. STONE,TRIM10
W/POWER SEAT & LEATHER SEAT,IVORY,TRIM0#
W/POWER SEAT & LEATHER SEAT,DK. STONE,TRIM1#
IVORY,TRIM0#
DK. STONE,TRIM1#
W/POWER SEAT & LEATHER SEAT,DK.GRAY,TRIM1#
58907HINGE SUB-ASSY, CONSOLE COMPARTMENT DOOR
DRIVER POWER SEAT + LEATHER PACKAGE
58908ALOCK SUB-ASSY, CONSOLE COMPARTMENT DOOR
58910CBOX ASSY, CONSOLE, REAR
IVORY,TRIM0#
DK.GRAY,TRIM11
DK. STONE,TRIM10
58917MAT, BOX BOTTOM, NO.2
58995ABRACKET, CONSOLE BOX MOUNTING, NO.1
58996ABRACKET, CONSOLE BOX MOUNTING, NO.2
7403
8401
9008010389
main90080-10389
9008011736
main90080-11736
9008016097
main90080-16097
9008018071
main90080-18071
9011908980
main90119-08980
90167A0006
main90167-A0006
9046710201
main90467-10201
9046805135
main90468-05135
9353054014
main93530-54014
24 parts on this diagram · 1 diagram in section