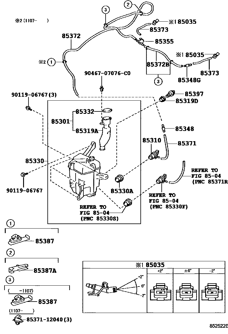
Toyota SCION TC — WINDSHIELD WASHER

85035NOZZLE SUB-ASSY, WASHER
ANGLE 0
ANGLE -2
ANGLE +2
8504REAR WASHER
85310MOTOR AND PUMP ASSY, WINDSHIELD WASHER
85319AHOSE, INLET
85319DPACKING, FRONT WASHER
85330JAR ASSY, WINDSHIELD WASHER
REAR WINDOW WIPER-WITH(INTERMITTENT)
85330ABUSH, WINDSHIELD WASHER JAR
85332CAP, WINDSHIELD WASHER JAR
85348JOINT, WINDSHIELD WASHER HOSE, NO.1
85348GJOINT, WINDSHIELD WASHER HOSE, NO.2
85355VALVE, WINDSHIELD WASHER HOSE
85371HOSE, WINDSHIELD WASHER (FROM MOTOR TO JOINT)
L=1450(*H,L=200); L=1450(*H,L=200),REAR WINDOW WIPER-WITH
85372HOSE, WINDSHIELD WASHER (FROM JOINT TO JOINT), NO.1
L=2000; L=2000,REAR WINDOW WIPER-WITH
85372BHOSE, WINDSHIELD WASHER (FROM JOINT TO JOINT), NO.2
L=1450(*H,L=450); L=1450(*H,L=450),REAR WINDOW WIPER-WITH
85373HOSE, WINDSHIELD WASHER (FROM JOINT TO NOZZLE)
L=1450(*H,L=180); L=1450(*H,L=180),REAR WINDOW WIPER-WITH
85387CLAMP NO.1 (FOR WINDSEIELD WASHER)
85387ACLAMP, WASHER, NO.2
85397SWITCH ASSY,LEVEL WARNING
8537112040HOSE, WINDSHIELD WASHER (FROM MOTOR TO JOINT)
main85371-12040
9011906767
main90119-06767
9046707076C0
main90467-07076C0
22 parts on this diagram · 2 diagrams in section
WINDSHIELD WASHER for Toyota SCION TC
This section contains 23 genuine Toyota parts for the WINDSHIELD WASHER system of the Toyota SCION TC. Key components include: NOZZLE SUB-ASSY, WASHER, REAR WASHER, INLET SUB-ASSY, WASHER, MOTOR AND PUMP ASSY, WINDSHIELD WASHER, HOSE, INLET.