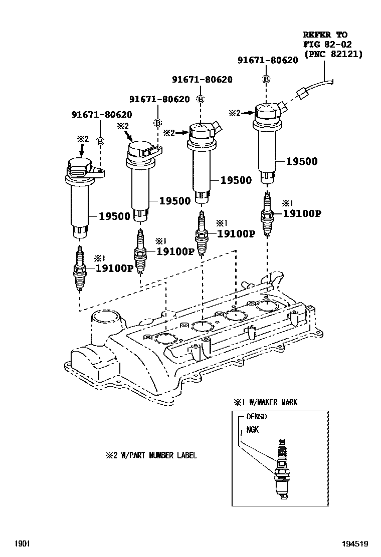
Toyota RUSH — IGNITION COIL & SPARK PLUG / GLOW PLUG

19100PPLUG, SPARK
DCPR7EA-9,NGK
XU22PR9,DENSO
19500COIL ASSY, IGNITION
W/PART NUMBER LABEL
8202WIRING & CLAMP
9167180620
main91671-80620
4 parts on this diagram · 1 diagram in section
IGNITION COIL & SPARK PLUG / GLOW PLUG for Toyota RUSH
This section contains 4 genuine Toyota parts for the IGNITION COIL & SPARK PLUG / GLOW PLUG system of the Toyota RUSH. Key components include: PLUG, SPARK, COIL ASSY, IGNITION, WIRING & CLAMP.