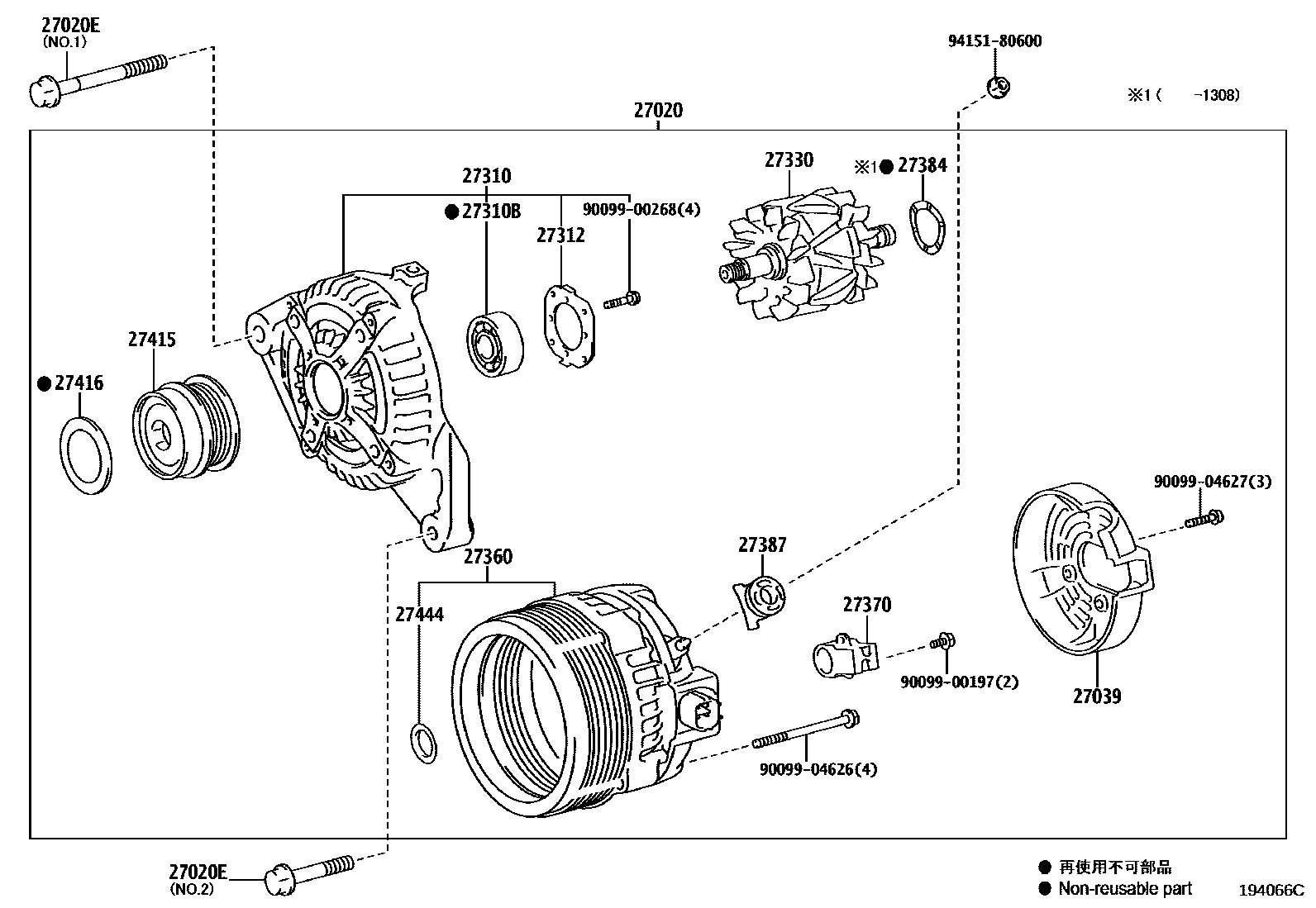
Toyota RAV4 — ALTERNATOR

27020ALTERNATOR ASSY
12V 150A
12V 100A
12V 100A
12V 100A
27020EBOLT(FOR ALTERNATOR)
NO.1
NO.2
27039COVER, ALTERNATOR REAR END
27310FRAME ASSY, DRIVE END, ALTERNATOR
27310BBEARING(FOR ALTERNATOR DRIVE END FRAME)
27312PLATE, RETAINER
27330ROTOR ASSY, ALTERNATOR
27360COIL ASSY, ALTERNATOR
27370HOLDER ASSY, ALTERNATOR BRUSH
27384WASHER
27387INSULATOR, TERMINAL
27415PULLEY, ALTERNATOR W/CLUTCH
27416CAP, ALTERNATOR PULLEY
27444PACKING, ALTERNATOR BEARING COVER
9009900197
main90099-00197
9009900268
main90099-00268
9009904626
main90099-04626
9009904627
main90099-04627
9415180600
main94151-80600
19 parts on this diagram · 4 diagrams in section
ALTERNATOR for Toyota RAV4
This section contains 24 genuine Toyota parts for the ALTERNATOR system of the Toyota RAV4. Key components include: RADIATOR & WATER OUTLET, ALTERNATOR ASSY, BOLT(FOR ALTERNATOR), COVER, ALTERNATOR REAR END, FRAME ASSY, DRIVE END, ALTERNATOR.