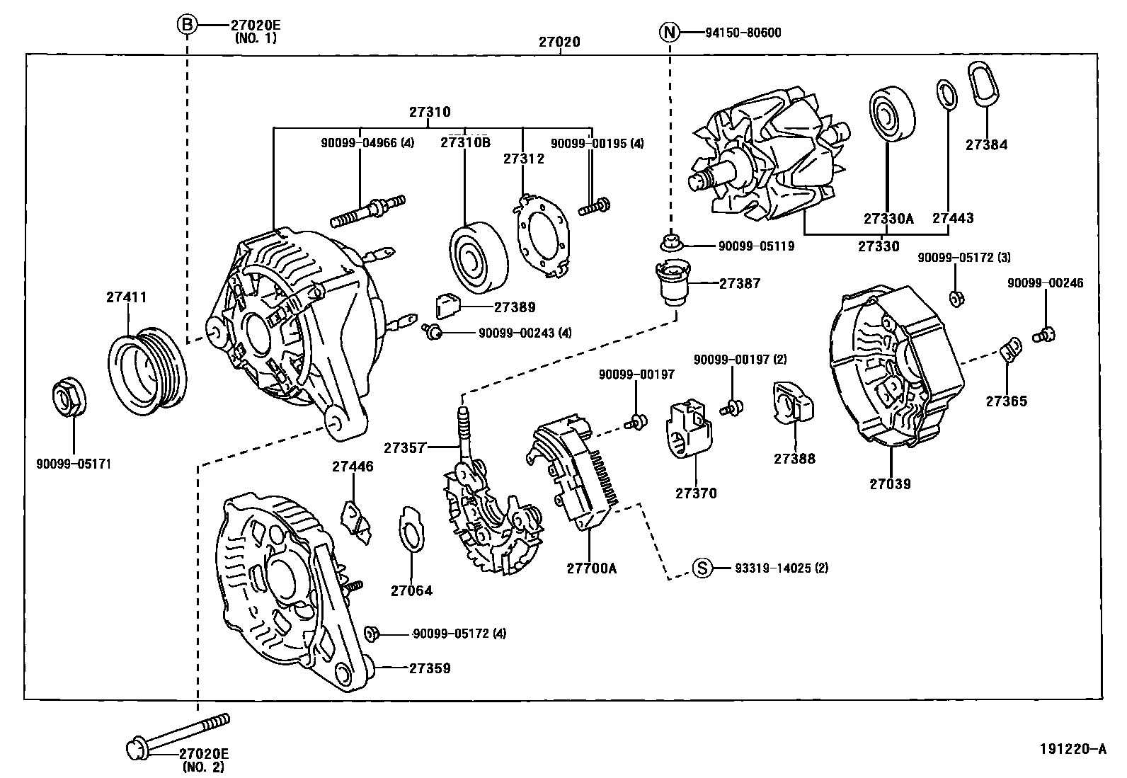
Toyota RAV4 — ALTERNATOR

27020ALTERNATOR ASSY
12V 90A
12V 130A
12V 100A
12V 90A
12V 100A
27020EBOLT(FOR ALTERNATOR)
NO.2
NO.1
NO.1
NO.2
27064SEAL, ALTERNATOR PLATE
NO.2
NO.1
27310FRAME ASSY, DRIVE END, ALTERNATOR
27312PLATE, RETAINER
27330ABEARING(FOR ALTERNATOR ROTOR)
27357HOLDER, ALTERNATOR, W/RECTIFIER
27359FRAME, ALTERNATOR RECTIFIER END
27365PLATE, TERMINAL
27370HOLDER ASSY, ALTERNATOR BRUSH
27384WASHER
27387INSULATOR, TERMINAL
27388COVER, ALTERNATOR BRUSH
27389INSULATOR, TERMINAL
27411PULLEY, ALTERNATOR
27443COVER, ALTERNATOR BEARING
27446CLIP, ALTERNATOR CORD
27700AREGULATOR ASSY, GENERATOR
9009900195
main90099-00195
9009900197
main90099-00197
9009900243
main90099-00243
9009900246
main90099-00246
9009904966
main90099-04966
9009905119
main90099-05119
9009905171
main90099-05171
9009905172
main90099-05172
9331914025
main93319-14025
9415080600
main94150-80600
31 parts on this diagram · 7 diagrams in section