E
ToyotaEPC

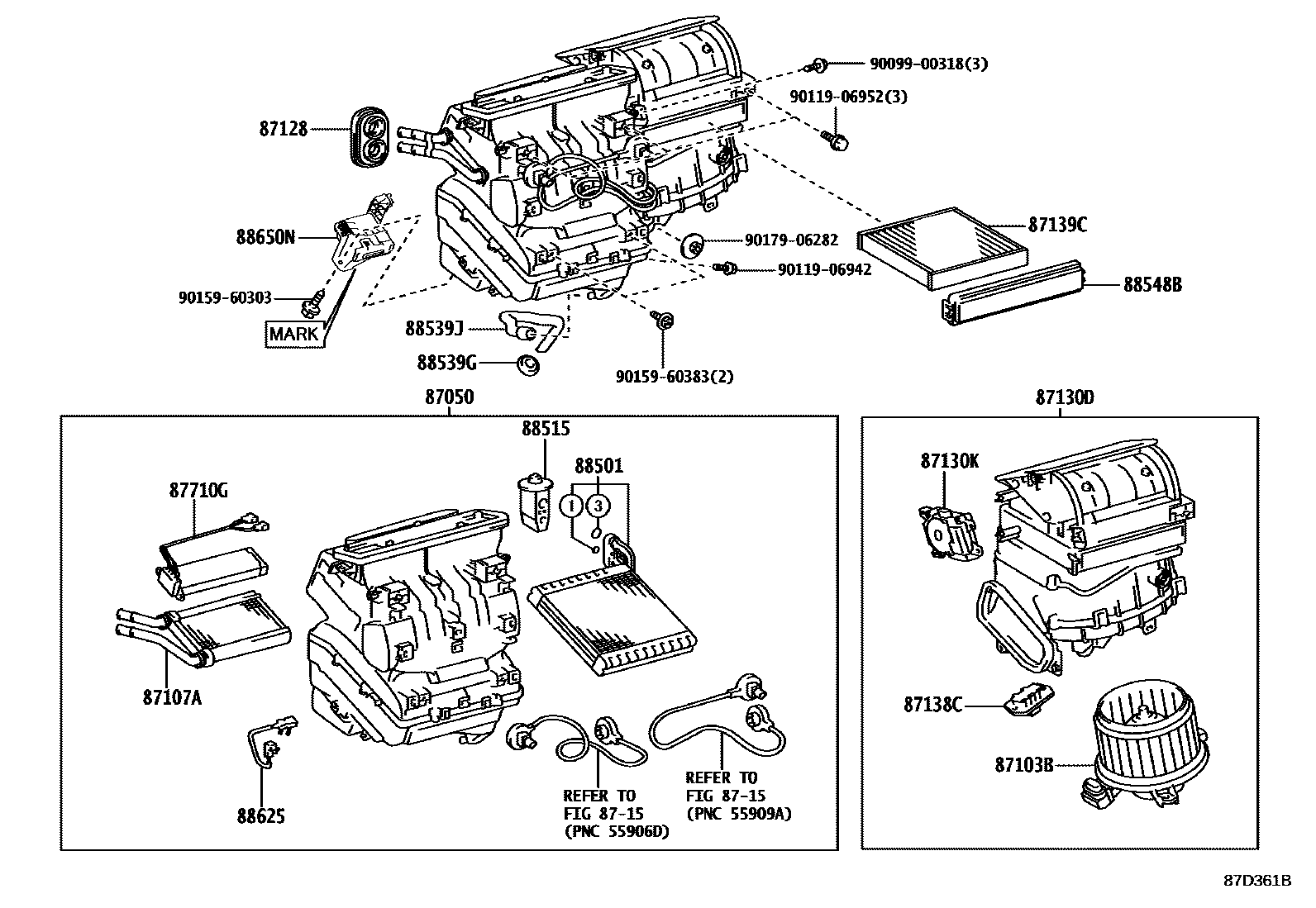
Toyota RAV4HEATING & AIR CONDITIONING - COOLER UNIT

Parts diagram
87050RADIATOR ASSY, AIR CONDITIONER
main87050-42290i201212-201302
NON-WVTA,REFER TO PNC 88650N; REFER TO PNC 88650N
main87050-42420i201212-201302
NON-WVTA,REFER TO PNC 88650N; REFER TO PNC 88650N
main87050-42471supersedes 87050-42481i201510-201607
main87050-42491supersedes 87050-42501i201212-201510
REFER TO PNC 88650N
main87050-42492supersedes 87050-42502i201510-201608
BASIC PACKAGE
main87050-42501i201302-201510
REFER TO PNC 88650N
main87050-42510i201708-201810
main87050-42520i201708-201810
main87050-42531supersedes 87050-42561i201510-201709
main87050-42541supersedes 87050-42571i201510-201810
main87050-42580supersedes 87050-42710i201510-201608
BASIC PACKAGE
main87050-42590supersedes 87050-42600i201510
main87050-42630supersedes 87050-42562i201510-201810
main87050-42640i201510-201810
main87050-42650i201608-201805
BASIC PACKAGE
main87050-42660i201608-201810
main87050-42720supersedes 87050-42730i201510-201810
BOSNIA,HERZEGOVINA SPEC; EXCEPT FOR WVTA; MACEDONIA SPEC
main87050-12311supersedes 87050-42471i201212-201302
NON-WVTA,REFER TO PNC 88650N
main87050-12330supersedes 87050-42481i201212-201302
NON-WVTA,REFER TO PNC 88650N
main87050-12401supersedes 87050-42531i201212-201302
*334,REFER TO PNC 88650N; COLD AREA SPEC,REFER TO PNC 88650N; NON-WVTA&COLD AREA SPEC,REFER TO PNC 88650N; NON-WVTA,REFER TO PNC 88650N; UKURAINE SPEC,REFER TO PNC 88650N
main87050-12420supersedes 87050-42571i201212-201302
*334,REFER TO PNC 88650N; COLD AREA SPEC,REFER TO PNC 88650N; NON-WVTA&COLD AREA SPEC,REFER TO PNC 88650N; NON-WVTA,REFER TO PNC 88650N; UKURAINE SPEC,REFER TO PNC 88650N
main87050-42440i201212-201302
NON-WVTA,REFER TO PNC 88650N; REFER TO PNC 88650N
main87050-42450i201212-201302
NON-WVTA,REFER TO PNC 88650N; REFER TO PNC 88650N
main87050-42481i201608-201810
EXCEPT FOR WVTA
main87050-42561supersedes 87050-42571i201302-201510
BASIC PACKAGE,REFER TO PNC 88650N; REFER TO PNC 88650N
main87050-42562supersedes 87050-42670i201608-201805
BOSNIA,HERZEGOVINA SPEC; EXCEPT FOR WVTA; MACEDONIA SPEC
main87050-42572supersedes 87050-42680i201608-201805
BOSNIA,HERZEGOVINA SPEC&AUDIO-6SPEAKER(AUDIO LESS); EXCEPT FOR WVTA&AUDIO-6SPEAKER(AUDIO LESS); MACEDONIA SPEC&AUDIO-6SPEAKER(AUDIO LESS)
main87050-42610supersedes 87050-42620i201510-201810
EXCEPT FOR WVTA
main87050-42670supersedes 87050-42680i201608-201805
FRENCH SPEC&BASIC PACKAGE&AUDIO-WITHOUT
main87050-42690supersedes 87050-42670i201608-201805
COLD AREA SPEC
main87050-42700supersedes 87050-42680i201608-201805
COLD AREA SPEC; COLD AREA SPEC & WITH(STEERING HEATER)
main87050-42710supersedes 87050-42600i201608-201810
FRENCH SPEC&BASIC PACKAGE
87103BMOTOR SUB-ASSY, BLOWER W/FAN
main87103-42070i201510-201805
BASIC PACKAGE
main87103-42081i201510-201810
main87103-42090i201212-201510
main87103-42101i201212-201510
87107AUNIT SUB-ASSY, HEATER RADIATOR
main87107-42170i201510
87128GROMMET, HEATER
main87128-42010i201212-201510
87130DBLOWER ASSY
main87130-12551i201708-201810
main87130-12571i201708-201810
main87130-42261i201212-201302
NON-WVTA
main87130-42271i201212-201302
NON-WVTA
main87130-42300supersedes 87130-42310i201510-201607
main87130-42320supersedes 87130-42330i201510-201608
BASIC PACKAGE
main87130-42330i201302-201510
main87130-42340supersedes 87130-42440i201510-201608
BASIC PACKAGE; COLD AREA SPEC
main87130-42350supersedes 87130-42400i201510-201810
BOSNIA,HERZEGOVINA SPEC; EXCEPT FOR WVTA; MACEDONIA SPEC
main87130-42410i201608-201810
main87130-42420i201608-201805
BASIC PACKAGE
main87130-42430i201608-201810
main87130-12431supersedes 87130-42300i201212-201302
NON-WVTA
main87130-12511supersedes 87130-42310i201212-201302
NON-WVTA
main87130-12561supersedes 87130-42360i201212-201302
*334; COLD AREA SPEC; NON-WVTA; NON-WVTA&COLD AREA SPEC; UKURAINE SPEC
main87130-12581supersedes 87130-42350i201212-201302
*334; COLD AREA SPEC; NON-WVTA; NON-WVTA&COLD AREA SPEC; UKURAINE SPEC
main87130-42281i201212-201302
NON-WVTA
main87130-42291i201212-201302
NON-WVTA
main87130-42310i201608-201810
EXCEPT FOR WVTA
main87130-42360supersedes 87130-42440i201608-201805
BOSNIA,HERZEGOVINA SPEC; EXCEPT FOR WVTA; MACEDONIA SPEC
main87130-42370supersedes 87130-42450i201608-201805
BOSNIA,HERZEGOVINA SPEC&AUDIO-6SPEAKER(AUDIO LESS); EXCEPT FOR WVTA&AUDIO-6SPEAKER(AUDIO LESS); MACEDONIA SPEC&AUDIO-6SPEAKER(AUDIO LESS)
main87130-42380i201607-201810
EXCEPT FOR WVTA
main87130-42400supersedes 87130-42450i201608-201805
COLD AREA SPEC; COLD AREA SPEC & WITH(STEERING HEATER)
main87130-42440supersedes 87130-42450i201608-201805
FRENCH SPEC&BASIC PACKAGE&AUDIO-WITHOUT
main87130-42460supersedes 87130-42400i201608-201810
FRENCH SPEC&BASIC PACKAGE
87130KDAMPER SERVO SUB-ASSY, BLOWER, NO.1
main87106-42110i201212-201302
NON-WVTA
main87106-42120i201212-201302
NON-WVTA
main87106-42130i201212-201302
*334; NON-WVTA; NON-WVTA&COLD AREA SPEC; UKURAINE SPEC
main87106-42150i201302-201510
main87106-42160supersedes 87106-42150i201212-201510
main87106-42170supersedes 87106-42180i201510-201810
main87106-42180i201302-201309
main87106-47130i201212-201302
*334; NON-WVTA; NON-WVTA&COLD AREA SPEC; UKURAINE SPEC
main87106-47160i201510-201810
87138CRESISTOR, BLOWER
main87138-26150i201510-201805
BASIC PACKAGE
main87138-26160i201510
87139CFILTER, CLEAN AIR
main87139-50100i201212-201311
DEODORANT FILTER
main87139-52040i201510
POLLEN FILTER,POLLEN FILTER
main87139-60020i201212-201311
MICRO DUST FILTER
8715HEATING & AIR CONDITIONING - CONTROL & AIR DUCT
87710GQUICK HEATER ASSY
main87710-12020supersedes 87710-42020i201212-201510
COLD AREA SPEC
main87710-42010i201212-201510
main87710-42030i201510-201810
main87710-42040i201510-201810
88501EVAPORATOR SUB-ASSY, COOLER, NO.1
main88501-42100i201608-201810
main88501-72020i201212-201510
main88501-75010supersedes 88501-42100i201608-201810
88515VALVE, COOLER EXPANSION
main88515-12100i201212-201302
*334; NON-WVTA; NON-WVTA&COLD AREA SPEC; NON-WVTA,REFER TO PNC 88650N; REFER TO PNC 88650N; UKURAINE SPEC
main88515-30780supersedes 88515-64010i201510-201810
BOSNIA,HERZEGOVINA SPEC; EXCEPT FOR WVTA; MACEDONIA SPEC
main88515-52090i201708-201810
main88515-64010i201608-201810
main88515-68010i201302-201510
BASIC PACKAGE,REFER TO PNC 88650N; REFER TO PNC 88650N
88539GGROMMET (FOR COOLER UNIT DRAIN HOSE)
main90480-26030i201212-201510
88539JHOSE, DRAIN COOLER
main88539-42051i201510-201810
main88539-42061i201510-201810
88548BCASE, AIR FILTER
main88548-42010i201510-201810
main88548-42020i201212-201510
88625THERMISTOR, COOLER, NO.1
main88620-42010i201212-201510
main88625-26090i201212-201302
*334; NON-WVTA; NON-WVTA&COLD AREA SPEC; UKURAINE SPEC
88650NAMPLIFIER ASSY, AIR CONDITIONER
main88650-42420i201212-201302
NON-WVTA,P/N LABEL=8865042420; P/N LABEL=8865042420
main88650-42460i201212-201302
*334,P/N LABEL=8865042460; NON-WVTA,P/N LABEL=8865042460; P/N LABEL=8865042460; UKURAINE SPEC,P/N LABEL=8865042460
main88650-42521i201410-201510
ENGLAND SPEC&BASIC PACKAGE
main88650-42531i201410-201510
COLD AREA SPEC; FRENCH SPEC&BASIC PACKAGE
main88650-42540i201302-201410
P/N LABEL=8865042540
main88650-42541i201410-201510
ENGLAND SPEC&BASIC PACKAGE; FRENCH SPEC&BASIC PACKAGE
main88650-42550i201302-201410
P/N LABEL=8865042550
main88650-42551i201410-201510
ENGLAND SPEC&BASIC PACKAGE; FRENCH SPEC&BASIC PACKAGE
main88650-42560i201510-201608
main88650-42580i201610
main88650-42600i201510-201608
main88650-42620i201510-201607
main88650-42630i201510-201608
COLD AREA SPEC
main88650-42640i201510-201608
main88650-42700i201608-201810
main88650-42710i201608-201810
main88650-42740i201608-201707
main88650-42760i201608-201810
main88650-42770i201708-201810
main88650-42840i201708-201810
main88650-42850i201708-201810
AIR CONDITIONER-AUTO DUAL CONTROL
main88650-42400supersedes 88650-42520i201212-201302
NON-WVTA,P/N LABEL=8865042400
main88650-42410supersedes 88650-42530i201212-201302
*334,P/N LABEL=8865042410; COLD AREA SPEC,P/N LABEL=8865042410; NON-WVTA&COLD AREA SPEC,P/N LABEL=8865042410; NON-WVTA,P/N LABEL=8865042410; UKURAINE SPEC,P/N LABEL=8865042410
main88650-42520i201212-201410
ENGLAND SPEC&BASIC PACKAGE,P/N LABEL=8865042520; P/N LABEL=8865042520
main88650-42530i201212-201410
COLD AREA SPEC,P/N LABEL=8865042530; FRENCH SPEC&BASIC PACKAGE,P/N LABEL=8865042530; P/N LABEL=8865042530
main88650-42570i201510-201608
COLD AREA SPEC & W/O(REAR SEAT HEATER); COLD AREA SPEC & WITH(REAR SEAT HEATER); MID+ PACKAGE&COLD AREA SPEC & WITH(REAR SEAT HEATER)
main88650-42750i201608-201810
COLD AREA SPEC & W/O(REAR SEAT HEATER); COLD AREA SPEC & WITH(REAR SEAT HEATER); MID+ PACKAGE&COLD AREA SPEC & WITH(REAR SEAT HEATER); MID+ PACKAGE&COLD AREA SPEC & WITH(REAR SEAT HEATER)&SEAT COVER MATERIAL-SUEDE & NATURAL LEATHER
main88650-52720i201510-201810
FRENCH SPEC&BASIC PACKAGE; UK,MALTA SPEC&BASIC PACKAGE; UK,MALTA SPEC&BASIC PACKAGE&SEAT COVER MATERIAL-FABRIC(SPORT TYPE)
9009900318
9011906942
9011906952
9015960303
9015960383
9017906282

23 parts on this diagram · 5 diagrams in section

HEATING & AIR CONDITIONING - COOLER UNIT for Toyota RAV4

This section contains 30 genuine Toyota parts for the HEATING & AIR CONDITIONING - COOLER UNIT system of the Toyota RAV4. Key components include: HARNESS ASSY, AIR CONDITIONER, RADIATOR ASSY, AIR CONDITIONER, DAMPER SERVO SUB-ASSY, AIR CONDITIONER RADIATOR, NO.1, DAMPER SERVO SUB-ASSY, AIR CONDITIONER RADIATOR, NO.2, DAMPER SERVO SUB-ASSY, AIR CONDITIONER RADIATOR, NO.3.