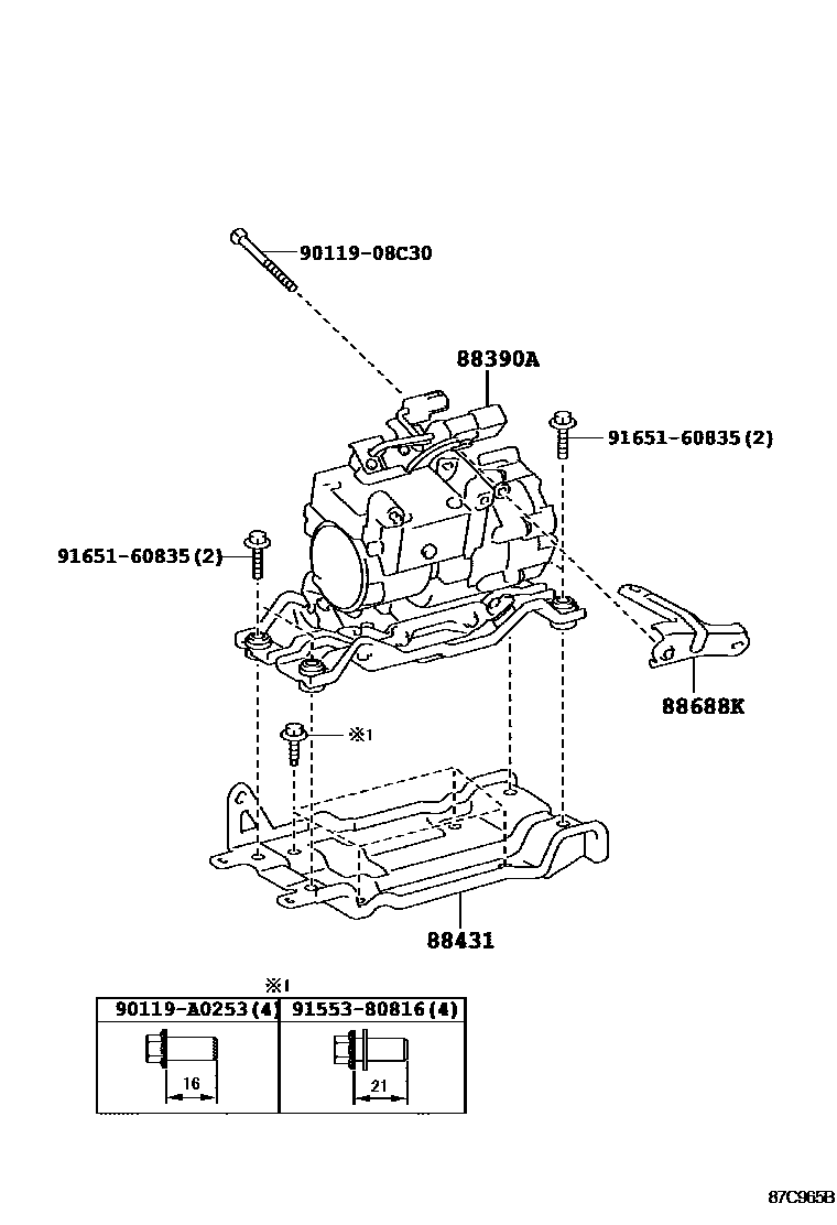
Toyota RAV4 EV — HEATING & AIR CONDITIONING - COMPRESSOR

88390ACOMPRESSOR ASSY, W/BRACKET
88431BRACKET, COMPRESSOR MOUNTING, NO.1
88688KBRACKET, COOLER COMPRESSOR
9011908C30
main90119-08C30
90119A0253
main90119-A0253
9155380816
main91553-80816
9165160835
main91651-60835
7 parts on this diagram · 1 diagram in section
HEATING & AIR CONDITIONING - COMPRESSOR for Toyota RAV4 EV
This section contains 7 genuine Toyota parts for the HEATING & AIR CONDITIONING - COMPRESSOR system of the Toyota RAV4 EV. Key components include: COMPRESSOR ASSY, W/BRACKET, BRACKET, COMPRESSOR MOUNTING, NO.1, BRACKET, COOLER COMPRESSOR.