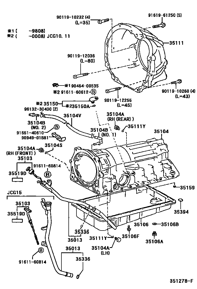
Toyota PROGRES — TRANSMISSION CASE & OIL PAN (ATM)

35013TUBE SUB-ASSY, TRANSMISSION OIL FILLER
35103GAGE SUB-ASSY, TRANSMISSION OIL LEVEL
35104CASE SUB-ASSY, AUTOMATIC TRANSMISSION
35104APLUG, AUTOMATIC TRANSMISSION CASE
35104BPLUG, BREATHER, NO.1 (ATM)
35104SRING, O (FOR TRANSAXLE CASE PLUG NO.1)
35106PAN SUB-ASSY, AUTOMATIC TRANSMISSION OIL
35106FBOLT (FOR AUTOMATIC TRANSMISSION OIL PAN)
35111HOUSING, AUTOMATIC TRANSMISSION
35111YRING, O (FOR AUTOMATIC TRANSMISSION CASE)
35150PLUG ASSY, TRANSMISSION CASE
35150ARING, O (FOR AUTOMATIC TRANSMISSION CASE PLUG)
35336RING, O (FOR TRANSMISSION OIL FILLER TUBE)
35394MAGNET, OIL CLEANER (FOR TRANSMISSION)
35519DLABEL, AUTOMATIC TRANSMISSION INFORMATION
9011910232
main90119-10232
9011910260
main90119-10260
9011912036
main90119-12036
9011912255
main90119-12255
9046400535
main90464-00535
9094901B81
main90949-01B81
9161160612
main91611-60612
9161160814
main91611-60814
9161961250
main91619-61250
9165140610
main91651-40610
9613230400
main96132-30400
30 parts on this diagram · 3 diagrams in section
TRANSMISSION CASE & OIL PAN (ATM) for Toyota PROGRES
This section contains 33 genuine Toyota parts for the TRANSMISSION CASE & OIL PAN (ATM) system of the Toyota PROGRES. Key components include: TUBE SUB-ASSY, TRANSMISSION OIL FILLER, GAGE SUB-ASSY, TRANSMISSION OIL LEVEL, CASE SUB-ASSY, AUTOMATIC TRANSMISSION, PLUG, AUTOMATIC TRANSMISSION CASE, PLUG, BREATHER, NO.1 (ATM).