Toyota PROGRES — RADIO RECEIVER & AMPLIFIER & CONDENSER

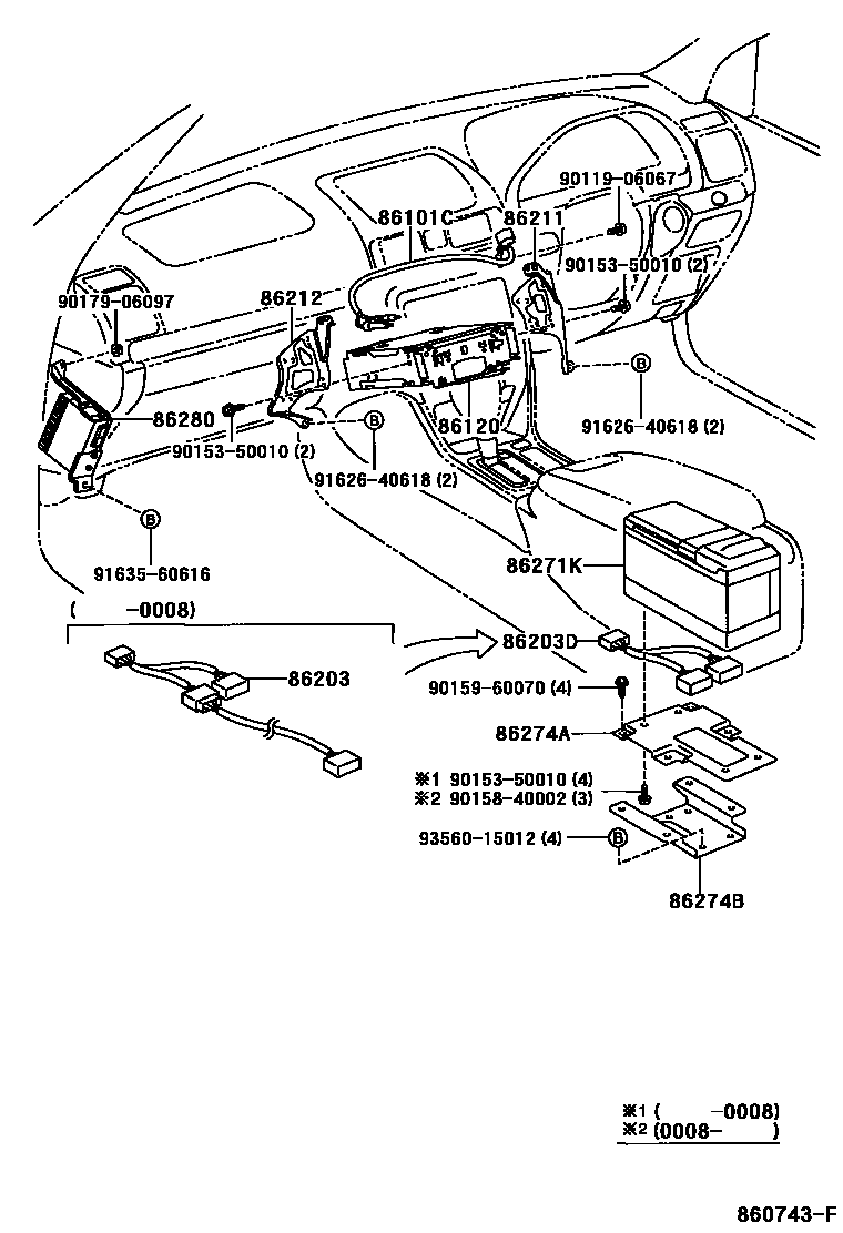
86101CCORD SUB-ASSY, ANTENNA, NO.2
86120RECEIVER ASSY, RADIO
86203WIRE, RADIO
86203DWIRE, STEREO COMPONENT, NO.1
86211BRACKET, RADIO, NO.1
86212BRACKET, RADIO, NO.2
86274BBRACKET, DISC PLAYER
9011906067
main90119-06067
9015350010
main90153-50010
9015840002
main90158-40002
9015960070
main90159-60070
9017906097
main90179-06097
9162640618
main91626-40618
9163560616
main91635-60616
9356015012
main93560-15012
18 parts on this diagram · 2 diagrams in section