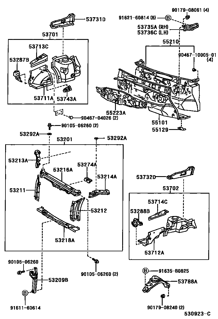
Toyota PRIUS — FRONT FENDER APRON & DASH PANEL

53201SUPPORT SUB-ASSY, RADIATOR
53209BBRACE SUB-ASSY, HOOD LOCK SUPPORT
53211SUPPORT, RADIATOR, RH
53212SUPPORT, RADIATOR, LH
53213ASUPPORT, RADIATOR, UPPER RH
53214ASUPPORT, RADIATOR, UPPER LH
53216ASUPPORT, RADIATOR, UPPER
53218ASUPPORT, RADIATOR, LOWER
53274AREINFORCEMENT, RADIATOR SUPPORT, LH
53287BEXTENSION, RADIATOR SUPPORT, RH
53288BEXTENSION, RADIATOR SUPPORT, LH
53292ASEAL, RADIATOR SUPPORT, UPPER
53701APRON SUB-ASSY, FRONT FENDER, RH
53702APRON SUB-ASSY, FRONT FENDER, LH
53711AAPRON, FRONT FENDER, W/SUPPORT, FRONT RH
53712AAPRON, FRONT FENDER, W/SUPPORT, FRONT LH
53713CEXTENSION, FRONT FENDER APRON, FRONT RH
53714CEXTENSION, FRONT FENDER APRON, FRONT LH
53731DMEMBER, FRONT APRON TO COWL SIDE, UPPER RH
53732DMEMBER, FRONT APRON TO COWL SIDE, UPPER LH
53735AMEMBER, FRONT APRON TO COWL SIDE, LOWER RH
53736CMEMBER, FRONT APRON TO COWL SIDE, LOWER LH
53743AREINFORCEMENT, FRONT FENDER APRON, FRONT RH
53788AGUSSET, FRONT FENDER APRON, LOWER LH
55129COVER, DASH PANEL HOLE
9010506260
main90105-06260
9017908061
main90179-08061
9017908240
main90179-08240
9046704026
main90467-04026
904671000501
main90467-1000501
9161160614
main91611-60614
9162160814
main91621-60814
91635B0825
main91635-B0825
36 parts on this diagram · 1 diagram in section