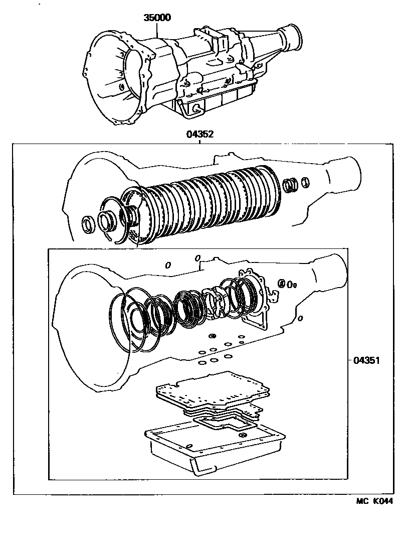
Toyota PREVIA — TRANSAXLE OR TRANSMISSION ASSY & GASKET KIT (ATM)

04351GASKET KIT, AUTOMATIC TRANSMISSION OVERHAUL
04352KIT, AUTOMATIC TRANSMISSION OVERHAUL
35000TRANSMISSION ASSY, AUTOMATIC
sub35000-28690
sub35000-28680
sub35000-28730
sub35000-28710
sub35000-28711
sub35000-28731
3 parts on this diagram · 3 diagrams in section