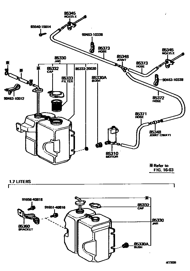
Toyota PICKUP — WINDSHIELD WASHER

1603
85310MOTOR AND PUMP ASSY, WINDSHIELD WASHER
85330JAR ASSY, WINDSHIELD WASHER
2.5 LITERS
2.5 LITERS
1.7 LITERS
2.1 LITERS
85330ABUSH, WINDSHIELD WASHER JAR
1.7 LITERS
2.5 LITERS,2.1 LITERS
85332CAP, WINDSHIELD WASHER JAR
1.7 LITERS
85333FILTER, WINDSHIELD WASHER JAR
2.5 LITERS
85345NOZZLE, WINDSHIELD WASHER
2.5 LITERS,2.1 LITERS
1.7 LITERS
85348JOINT, WINDSHIELD WASHER HOSE, NO.1
85360BRACKET ASSY, WINDSHIELD WASHER
1.7 LITERS
85371HOSE, WINDSHIELD WASHER (FROM MOTOR TO JOINT)
L=200
L=2000(*H,L=400),1.7 LITERS
85372HOSE, WINDSHIELD WASHER (FROM JOINT TO JOINT), NO.1
85373HOSE, WINDSHIELD WASHER (FROM JOINT TO NOZZLE)
L=1000(*H,L=100),1.7 LITERS
L=1800(*H,L=580),1.7 LITERS
8533320020FILTER, WINDSHIELD WASHER JAR
main85333-20020
9046310012
main90463-10012
9046310338
main90463-10338
9165140816
main91651-40816
9165640818
main91656-40818
9354015014
main93540-15014
18 parts on this diagram · 3 diagrams in section